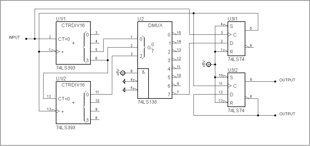
Hallo! Ich habe vor Jahren einmal dieses Schaltbild hier ausgegraben, finde aber den Beitrag nicht mehr. Eigentlich frage ich mich nur, ob dieser Teiler durch 112 oder 114 teilt.
U1/1 hat den Ausgang von U3/1 als Takteingang, U3/1 schaltet aber nur um wenn sich am Pin 7 von U2 etwas ändert. Die Änderung erfolgt genau dann wenn U1/1 auf 12 hochgezählt hat. Da dein Eingang "Input" an den ClearInput-Pin von U1/1 geht wird der Eingang andauernd zurückgesetzt und der Zähler kann nicht hochzählen. Bist du dir sicher dass die Schaltung so funktioniert? Kosten bei Reichelt: LS138 = 29ct LS393 = 25ct LS74 = 28ct Summe: 82ct Gegenvorschlag: Ein ATtiny13A kostet dort auch nur 90ct (ATTINY 25 => 95ct), ist viel kleiner (du sparst Platinenfläche, hast weniger Lötkontakte) und du kannst dort beliebige Teiler einstellen.
Jetzt sehe ich es erst. Die PINS vom 393er CLK und CLR sind auch noch vertauscht.
Bitte melde dich an um einen Beitrag zu schreiben. Anmeldung ist kostenlos und dauert nur eine Minute.
Bestehender Account
Schon ein Account bei Google/GoogleMail? Keine Anmeldung erforderlich!
Mit Google-Account einloggen
Mit Google-Account einloggen
Noch kein Account? Hier anmelden.
