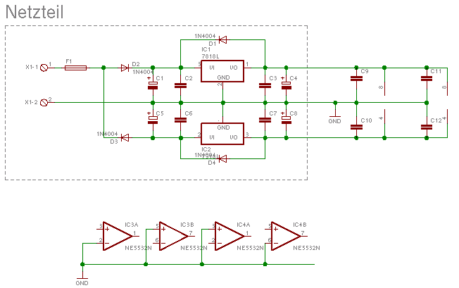
Wo es gerade um Masseflächen geht: Gelegentlich liest man, dass die Massefläche ausnahmslos alle Masseverbindungen abdecken soll. Wie sieht es aus, wenn die Gleichrichtung der Versorgungsspannung auf der gleichen Platine stattfindet? Ist es dann evtl. sinnvoll, die Ladeströme zwischen Gleichrichter und erstem Elko von der Massefläche fernzuhalten und die Netzteilmasse erst hinter den Spannungsreglern mit der Massefläche zu verbinden? Es geht um einen Mikrofonvorverstärker, die Oberseite soll nur der Masse vorbehalten sein, Platine zweiseitig ohne Durchkontaktierung. Die Opamps etc. sind nur als Beispielverbraucher eingezeichnet, die Diode über dem 7918L ist so natürlich Murx. Grüße ;Matthias
Schön, dass Du nur auf Hilfe von Leuten Wert legst, die das Datenformat "*.png" benutzen können... Falls Du es noch nicht wissen solltest, die am weitesten verbreiteten Datenformate sind "*.jpg", "*.gif" und "*.pdf". Stephan.
Hallo Stephan, warum so garstig? Mir war nicht bewusst, dass .png im Jahr 2005 noch ein Problem ist, auch der IE sollte das ab Version 4 anzeigen können. Das Problem seltsamer Dateiformate ist mir durchaus geläufig, ich bin schon auf Schaltpläne als Powerpoint-File gestoßen... Deshalb jetzt nochmal als .gif. Grüße ;Matthias
Also tut mir Leid Stephan. So kompetent du anscheinend bei der PCB Herstellung auch bist, *.png sehe ich persönlich (sicher nicht nur ich) schon als Standard für Schematics und Ähnliches. Wieso kann man hier auch schön sehen: Schaltplan.gif 8.8kB Schaltplan.png 7.2kB Layout.gif 28kB Layout.png 16kB *.gif geht da dabei sogar noch. Aber ein Schaltplan als jpeg? Oje, Oje :(
Jedes moderne OS mit jedem modernen browser sollte png anzeigen können. Wobei modern = jünger als ein Jahr gilt
Hey, geht tatsächlich :-) . Bin halt ein alter Zausel. Sollte wirklich öfters mal was neues ausprobieren :-) . Das Layout sieht gut aus. Die Kondensatoren an den Verbrauchern könnte man noch etwas näher an die Versorgungspins bringen; aber nur, wenn's Freude macht. Die Schaltung wird sicherlich mit dem jetzigen Layout gut funktionieren. Stephan.
Bitte melde dich an um einen Beitrag zu schreiben. Anmeldung ist kostenlos und dauert nur eine Minute.
Bestehender Account
Schon ein Account bei Google/GoogleMail? Keine Anmeldung erforderlich!
Mit Google-Account einloggen
Mit Google-Account einloggen
Noch kein Account? Hier anmelden.


