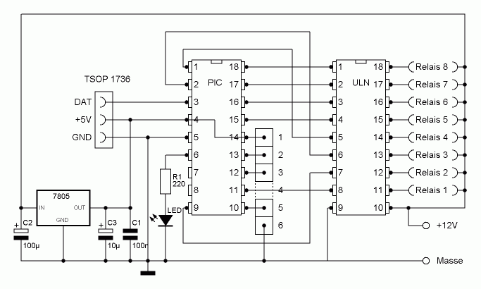
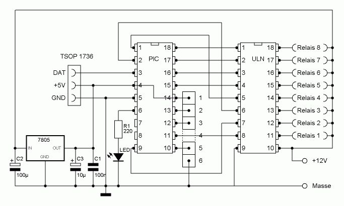
Hallo zusammen, ich möchte meine Playstation 1 per Infrarot ein-/ausschalten. Habe die Schaltung im Anhang aufgebaut, bekomme es aber leider nicht hin, das Programm in MPLAB für den PIC16F627 zu programmieren. Habe anstatt den TSOP 1736 den TSOP 1738 verwendet. Außerdem habe ich nur Relais 1 angeschlossen, da ich nur eins benötige. Ich freue mich, wenn ihr mir bei dem Programm helfen könnt!!
Hier die Theorie zum RC-5 Signal: http://www.sprut.de/electronic/ir/rc5.htm In ASM gibt es hier einen Code zur Auswertung: http://www.sprut.de/electronic/pic/projekte/rc5test/index.htm
Bitte melde dich an um einen Beitrag zu schreiben. Anmeldung ist kostenlos und dauert nur eine Minute.
Bestehender Account
Schon ein Account bei Google/GoogleMail? Keine Anmeldung erforderlich!
Mit Google-Account einloggen
Mit Google-Account einloggen
Noch kein Account? Hier anmelden.
