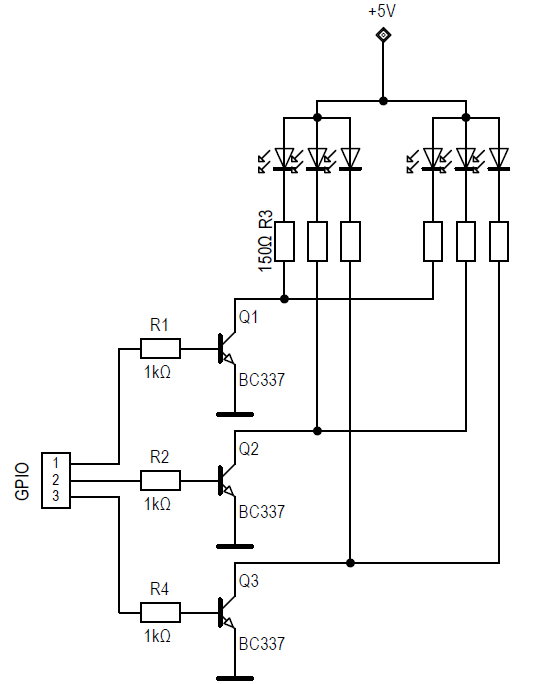
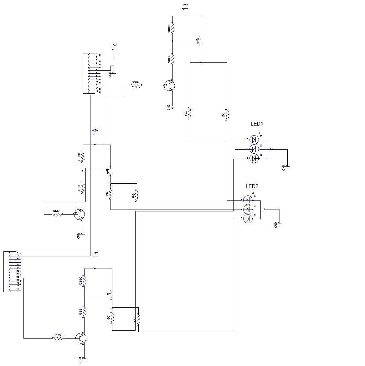
Wie müßte ich die erste Schaltung verändern, damit LED1 und LED2 durch das zweite Bild ersetzt werden kann? oder Wie sollte eine Schaltung aussehen, die die RGBLED im zweiten Teil so betreibt, daß je eine Farbe parallel geschaltet ist und von insgesamt 3 GPIOPorts des RPI betrieben werden kann?(High-Pegel RPI 3,3V).
Bitte melde dich an um einen Beitrag zu schreiben. Anmeldung ist kostenlos und dauert nur eine Minute.
Bestehender Account
Schon ein Account bei Google/GoogleMail? Keine Anmeldung erforderlich!
Mit Google-Account einloggen
Mit Google-Account einloggen
Noch kein Account? Hier anmelden.


