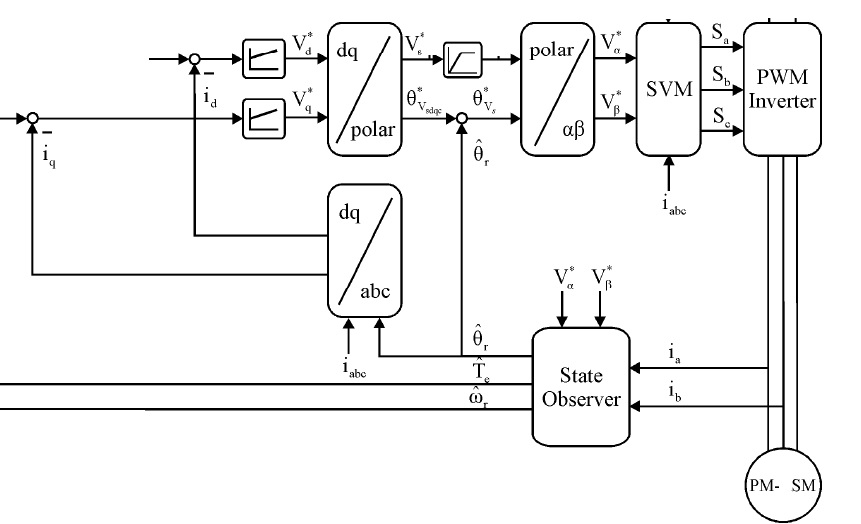
Moin alle zusammen, ich habe ein kleines Problem mit der Regelung eines Synchronmotors. Der Istzustand sieht folgendermaßen aus: - Komplett aufgebauter Prüfstand für die Ansteuerung mittels SVPWM - Als Regelsystem steht mir ein MC und ein FPGA zur Verfügung - Der FPGA enthält den Stromregelkreis für Id und Iq und generiert zudem die Signale für die SVPWM. Des Weiteren ist ein Beobachter enthalten mit welchem ich den Winkel und die Drehzahl schätze. Wenn ich den Motor jetzt steuern möchte funktioniert dies bereits. Dazu generiere ich mir ein Winkelsignal, mit welchem ich die Transformationen durchführe (clarke/park). Die Frequenz des Signals bestimmt die Drehzahl des Motors. Dazu muss ich dann noch die Ströme Id und Iq ausreichend hoch festlegen (ca.20% vom Nennstrom) und der Motor kann gesteuert werden. Parallel dazu lasse ich meinen Beobachter laufen. Dieser ermittelt das Winkelsignal. Ich lasse mir auf einem Oszi die Differenz zwischen dem geschätzten Signal und dem vorgegebenen Siganl anzeigen. Die Differenz ist immer Null. Das Drehzahlsignal stimmt ebenfalls. Das erkenne ich, da der Lastmotor an meinem Prüfstand mit einem Drehzahlsensor ausgesatttet ist. Ich benutze den Winkel für zwei Transformationen. Die erste Transformation wandelt den alpha-beta Strom in das d-q KS um. Die zweite Transformation wandelt die d-q Sollspannung in das alpha-beta KS um. Die zwiete Transformation kann sowohl mit dem vorgegebenen Winkel als auch mi dem Winkel von dem Beobachter erfolgen. In beiden Fällen läuft der Motor problemlos weiter. Wenn ich jedoch den Iststrom aus dem alpha-beta System mit dem beobachteten Winkel in das d-q KS bringen will, wird meine Sellgröße maximal und meine Spannungsquelle bricht zusammen und schaltet aufgurnd von Überspannung ab. Im Anhang ist der grundsätzliche Aufbau der FPGA Struktur. Hat vielleicht jemand eine Ahnung woher mein Problem kommen könnte. Gefühlt würde ich sagen, dass der Regler aus irgendeinem Grund niemals seinen Sollwert erreicht. Aber ich weiss nicht warum. Vielen Dank im Voraus Chewie PS: Bitte in passende Rubrik verschieben -.- .... ich kann scheinbar nich richtig lesen
Bitte melde dich an um einen Beitrag zu schreiben. Anmeldung ist kostenlos und dauert nur eine Minute.
Bestehender Account
Schon ein Account bei Google/GoogleMail? Keine Anmeldung erforderlich!
Mit Google-Account einloggen
Mit Google-Account einloggen
Noch kein Account? Hier anmelden.
