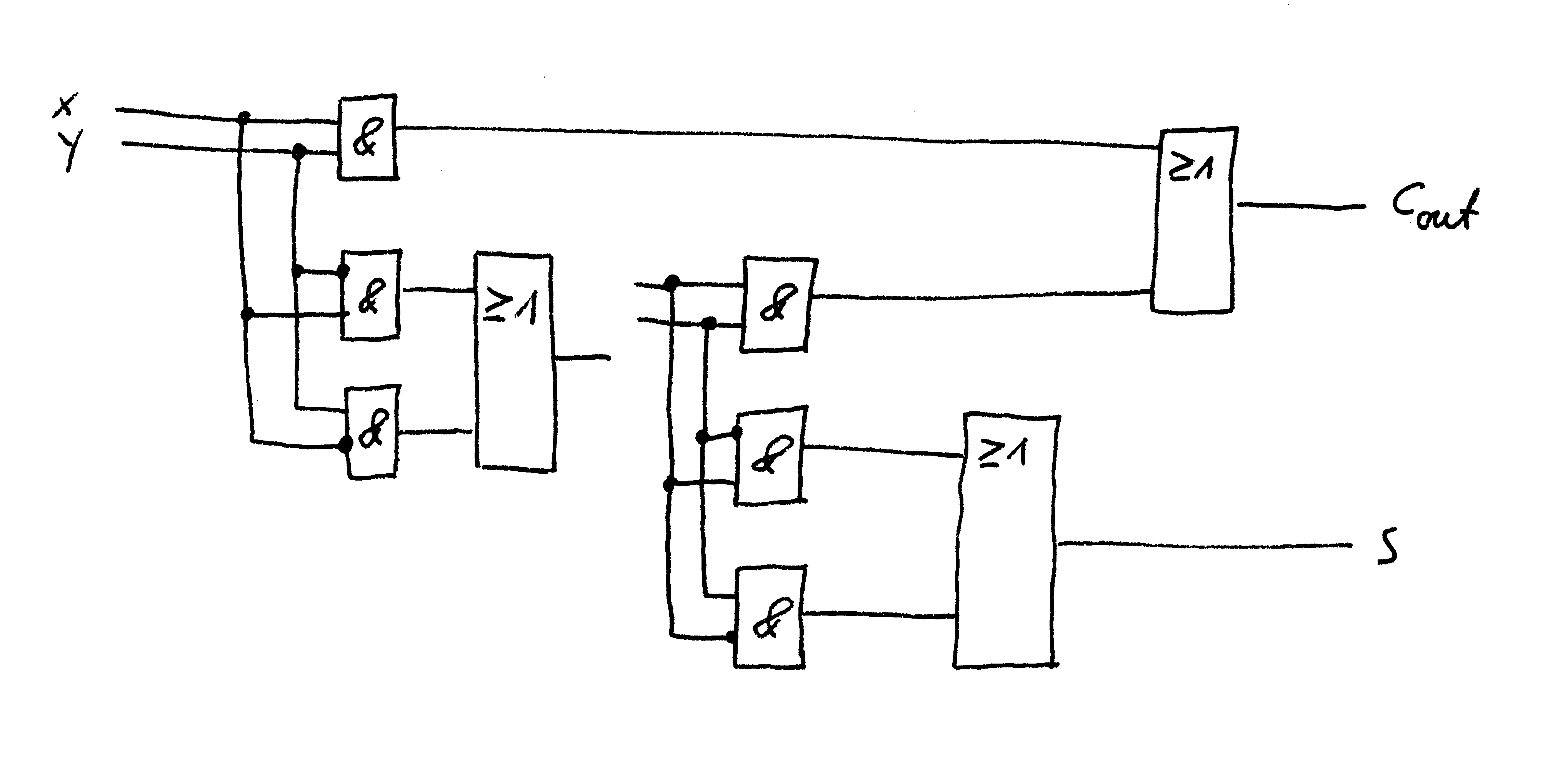
Hi Leute! Ich will einen Full-Adder aus den Gattern NAND, AND, OR aufbauen. Leider verstehe ich nicht ganz, wie ich den Ausgang des ersten Half-Adders und die Eingänge des zweiten Halfadders miteinander verbinden muss! Kann mir jemand helfen? Danke!
Na ja. Mit dem Begriff 'Volladdierer' finden sich bei Google rund 14-tausend Treffer. Unter anderem auch hunderte Schaltpläne, die den genauen Aufbau zeigen. Im übrigen: Was du in Wirklichkeit nicht verstanden hast, dass ist, das ein Volladdierer nicht 2 Eingänge hat, sondern deren 3. x bzw. y (also die beiden Bits die addiert werden sollen) UND ein weiterer Eingang, mit dem ein Carry aus einer vorhergehenden Addierstufe berücksichtigt werden soll. D.h. aus deinem ersten Halbaddierer kriegst du ein Übertrags-Ergebnisbit, welches in den 2.ten Halbaddierer geht. Der hat aber 2 Eingänge. Was wird wohl an den 2.ten Eingang dieses Halbaddierers kommen? Wenn man das Prinzip verstanden hat
1 | +----------+ +-----+ |
2 | x -----| Halb |-------------------------------| |---- Carry (Out) |
3 | | Addierer | +---| | |
4 | y -----| |------+ | +-----+ |
5 | +----------+ | +----------+ | |
6 | +------| Halb |--+ |
7 | | Addierer | |
8 | Carry ---------------------------| |--------- Summe |
9 | +----------+ |
dann ist eigentlich recht klar, wie in deinem Fall die Verbindungen sein müssen. Soviele logisch sinnvolle Möglichkeiten gibts da ja nicht.
Ich hab das eingehende Carryganz am Anfang nicht vergessen; ich wusste nur nicht wo ich es hinzeichnen soll! Die Reihenfolge wie rum ich die Das Ergebnisses des XORs und das Carry auf den zweiten Halbaddierer gebe ist egal, oder? Dann ist die Aufgabe nämlich wirklich trivial!
Da es für einen Halbaddierer ja egal sein muss, ob er 0 + 1 oder 1 + 0 berechnen soll .........
Bitte melde dich an um einen Beitrag zu schreiben. Anmeldung ist kostenlos und dauert nur eine Minute.
Bestehender Account
Schon ein Account bei Google/GoogleMail? Keine Anmeldung erforderlich!
Mit Google-Account einloggen
Mit Google-Account einloggen
Noch kein Account? Hier anmelden.
