Hallo zusammen, ich habe einen alten Epson LX300+ Nadeldrucker. Dieser hat ein internes Netzteil und funktioniert an der normalen Netzstrom-Dose einwandfrei. Nun würde ich ihn gerne gelegentlich im Auto am Zigarettenanzünder betreiben. Ich könnte zwar einen Spannungswandler nehmen aber falls solche Drucker intern mit 12V arbeiten würden, könnte man eventuell direkt an den Zigarettenanzünder gehen. Weiß jemand zufällig, mit welchen Spannungen diese Drucker üblicherweise intern arbeiten? Vielen Dank und viele Grüße Karl
Falls der Drucker intern mit 12V arbeitet, dann aber sicher nicht mit derart instabiler Spannung, wie sie im KFZ üblich ist. Außerdem muss irgendwo auch eine 5V Versorgung her. Der Drucker hat sicher ein Netzteil mit mehreren Ausgangsspannungen für die Elektronik und die Motoren.
Danke für die Antwort. Ja stimmt, die KFZ-12V sind in Wirklichkeit eher 9-14,4 V und noch mit Ripple überlagert, aber wenn man das Ding nur im Zustand 'Motor aus' benutzen würde, hätte man einigermaßen stabile 12,7-13V. Wenn dann im Drucker noch ein Spannungsregler wäre, der das auf eine niedrigere Spannung festnageln würde, wäre alles in Butter. Aber leider zu viele 'wenn's. Kann natürlich sehr gut sein, dass das interne Netzteil mehrere Spannungen ausspuckt. Würde die Sache dann deutlich verkomplizieren. Werde dann wohl doch einen 12->230V Spannungswandler besorgen. Ich habe zwar schon einen billigen, aber dessen Ausgansspannung scheint stark von der Last und der Batteriespannung abzuhängen, also auch nicht so das Wahre. Danke nochmals und viele Grüße Karl
Der arbeitet sicherlich mit einer Vielzahl an Spannungen. Erstmal 5V (ggf 3.5V) für die Elektronik, dann eine vermutlich recht hohe Spannung für den Druckkopf, sowie noch Spannungen für die Motoren. Wahrscheinlich ist es einfacher einfach einen normalen Wechselrichter zu verwenden und aus Deinen 12-14V 230V zu machen. Besonders wenn man bedenkt wie teuer so ein Drucker ist, würde ich da nicht dran rum basteln. Sind ja doch noch fast 300 Euro.
Das stimmt. Habe auch bisschen Bedenken an dem Ding rumzuschrauben und zu löten. Und es ist ja offensichtlich komplizierter als ich dachte. Werde gleich einen extra Thread aufmachen wegen einen guten Spannungswandlers mit erwiesenermaßen stabiler Sinus-Ausgangsspannung für einigermaßen bezahlbares Geld. Danke an euch beide!
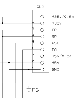
Service Manual mit Schaltplan: http://www.bitrade.by/support/Epson%20LX-300+%20Service%20Manual.pdf Netzteil macht wohl 35V/0.5A und 5V/0.3A. Kannste dir natürlich KFZ-tauglich hinbasteln.
Bitte melde dich an um einen Beitrag zu schreiben. Anmeldung ist kostenlos und dauert nur eine Minute.
Bestehender Account
Schon ein Account bei Google/GoogleMail? Keine Anmeldung erforderlich!
Mit Google-Account einloggen
Mit Google-Account einloggen
Noch kein Account? Hier anmelden.
