Könnte mir jemand eine Integrierte Schaltung nennen die folgendes machen kann? Beim kurz 5V Impuls auf Eingang 0, dauernd 5V auf dem Ausgang 0. Beim Kurz 5V Impuls auf Eingang 1, schaltet Ausgang 0 aus und Ausgang 1 ein und so weiter bis zu E7 A7. Es sollte also, egal ob in der Reihe nach oder nicht, für einen Impuls auf dem Eingang der dementsprechende Ausgang aktiv sein bis zu der nächste Betätigung. Zum Beispiel wenn ich mit einer von 1 bis 8 numerische Tastatur irgend eine Taste drücke der dementsprechende Ausgang soll high sein. Drücke drei sollen 5V auf Ausgang drei, und nur auf A3 permanent entstehen. Bin dankbar und offen auf alle Ideen oder Lösungen. Gruß.
Was soll passieren, wenn mehrere Tasten gleichzeitig gedrückt werden?
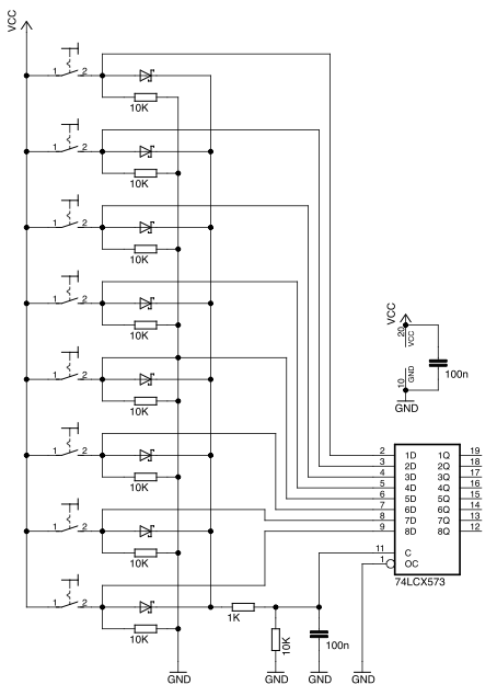
Vielleicht mal mit einem Latch versuchen. Wenn mehrere Tasten gedrückt sind, wird dieser Zustand natürlich auch so an die Outputs weitergegeben.
Alles in bester Ordnung. Danke für den Tipp. Es ist eigentlich viel Aufwand wenn ich auf 20 Maschinen das Ganze implementieren möchte, es wird aber funktionieren. Super!
Bitte melde dich an um einen Beitrag zu schreiben. Anmeldung ist kostenlos und dauert nur eine Minute.
Bestehender Account
Schon ein Account bei Google/GoogleMail? Keine Anmeldung erforderlich!
Mit Google-Account einloggen
Mit Google-Account einloggen
Noch kein Account? Hier anmelden.
