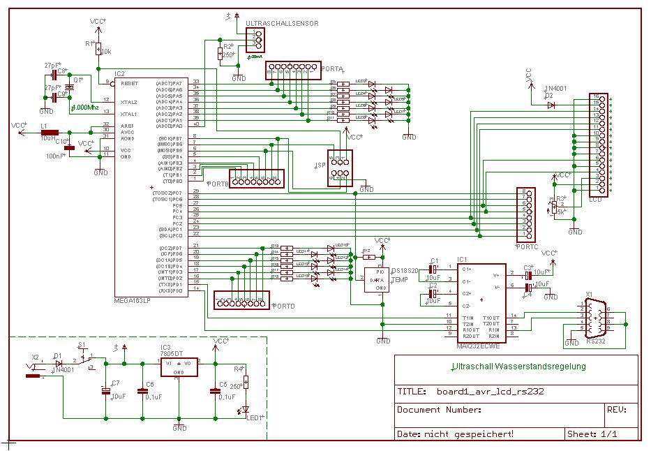
Hallo Leute, Ich brauche mal jemanden der sich mal meine Schematic anschaut und sagt ob das so von der Beschaltung her alles richtig bzw. ob es so Funktioniert und ob was Falsch ist. Da das einer meiner ersten Boards ist freue ich mich über jeden Tipp. Hier eine kurze Beschreibung : Controller : AtMega16 (AD-Wandler wird benötigt, Aref = 5V) PortA: Ultraschallsensor (4-20mA) über Parallelen Widerstand an PA0 Restlichen Ports an Steckerleiste und an LEDs. PortB: ISP + Steckerleiste PortC: LCD + Temperatursensor DS18S20 + Steckerleiste PortD: RS232 + Steckerleiste + LEDs
Pack noch nen 100nF direkt an den mega (vcc<->gnd) Am ds1820 evtl auch noch. Und klick mal auf INVOKE und dann den max, dort fehlt die stromversorgung ;) Da kannst dann auch noch nen 100n hinpacken.
Ok, danke.. die genanten Sachen werde ich noch machen. Wenn ich einen manuellen Reset durchführen möchte brauch ich doch nur zwischen den 10k und dem RESEt Pin nen Taster oder ?
Sauber gezeichnet! Die Portstecker könntest Du 10-polig machen (mit Vcc und Gnd) und bei Port A Pin 1 noch PA0 sowie bei Port D PD0 und 1 anschließen. Auch die Leitungen zu einer 7./8. LED kannst Du vorsehen, du brauchst sie ja nicht bestücken. Man weiß ja nie... Wenn Du davon ein Layout zeichnest, kannst Du (wo noch Platz ist) eine Mini-Lochraster-Platine hinzufügen, für nachträgliche ICs oder Erweiterungen. Dip-Schalter und ein paar Messpunkte... Haben viele Eva-Boards auch (user area). Die unbeschalteten MAX (z.B.T2-in) kannst Du ja so legen, dass Du sie leicht trennen und wo anders hinlegen kannst. Wer weiß, zweite (SW-)Serielle oder HW-Handshake ...
Ich bin mir noch nicht sicher ob der AREF, AGND & AVCC richtig beschaltet sind.
Hallo, Kann ich den Programmieradapter (http://rumil.de/hardware/avrisp.html) auch direkt auf die Platine aufbauen ? Dann brauch ich die Stiftleiste doch einfach nur weglassen und kann direkt an den Controller gehen oder ?
Ich nerve warscheinlich schon etwaige Leute hier, aber ich werde nicht müde darauf hinzuweisen, das o.g. Programmieradapter einen ganz ganz groben Schnizer hat. Digitale Ausgänge dürfen niemals paralell geschaltet werden. Dieser Fehler kann das Bauteil frühzeitig zerstören und vieleicht sogar die paralelle Schnittstelle mit in den Tod reissen. Ich rate jedem dazu, die Brücke an den Ausgängen des 74 244 zu entfernen!
Ja, danke für den Tipp. Aus welchem Grund werden denn dann jeweils 3 Eingänge bzw. Ausgänge zusammengeschaltet ?
Tja Niels, in diesem Fall darfst Du die Ausgänge ohne bedenken parallel schalten, da die Eingänge auch parallel geschaltet sind und die Ausgänge absolut syncron laufen. Es gibt auch kein Probleme mit Toleranzen etc., da sich die Ausgänge alle auf dem gleichen Dye (Siliziumplätchen) im gleichen IC befinden und thermisch perfekt gekoppelt sind und alle Parameter identisch sind.
@unbekannter: ich wäre mir da nicht so sicher, vor allem warum wurden die parallel geschaltet. Es gibt kein echten Grund!
lasst es einfach weg und alle sind froh macht doch keinen sinn die so zu schalten^^
Mal was zum thema: "Anonym unsinn posten" Tja, unverkannt...wo fang ich an? Zwei TTL-Ausgänge haben NIE exakt den gleichen pegel. Es wird ständig ein Ausgleichsgleichsstrom fliessen, der allein schon sehr schädlich werden kann. Unterschiedliche Schaltzeiten der TTL-Gatter sorgen für kurzzeitige Kurzschlüsse. Diese sind zwar nicht auf anhieb tödlich, sorgen aber für eine instabile Versorgungsspannung und auf lange sicht sind sie der Lebensdauer der Gatter bestimmt nicht zuträglich. In einem professionellem Elektroniklabor würde man dir eine solche Schaltung links und rechts um die Ohren pfeffern. Doch wozu das ganze? Um mal kurzzeitig, testweise einen Baustein zu mehr kraft verhelfen möchte, kann man das mal machen. Im vorliegen Fall ist das aber absolut unnötig und in einer fertigen Schaltung hat das nichts zu suchen.
solche leute laufen dann auch zum händler wenn der parallelport kaputt ist und sagen das währe garantie
Soll der Widerstand R2 den Eingang PA0 des AVR auf GND legen, wenn kein Ultraschallsensor angeschlossen ist (pulldown)? Wenn ja, dann sind für meinen Geschmack die 250 Ohm etwas wenig. Ich würde eher 10k nehmen, oder 100k.
Du hast im Schaltplan den Mega163 verwendet und möchtest eigentlich den Mega16 verwenden. Glück für dich ist das die beiden pinkompatibel sind. Aber als Tipp für die Zukunft solltest du lieber einmal mehr überprüfen ob du den richtigen Chip verwendest. Gerade bei den Atmegas mit ihren vielen Varianten die alle auf dem ersten flüchtigen Blick eine 16 im Namen haben. Ist mir auch schonmal passiert. Ist allerdings erst aufgefallen als ich die Platine schon lange fertig hatte.
irgendwie bin ich jetzt ein wenig verunsichert. Was soll ich jetzt wo weglassen ? Oder soll ich das jetzt so übernehmen ? Kann ich jetzt einfach die Pins weglassen und direkt an den Atmel drangehen ?
Bitte melde dich an um einen Beitrag zu schreiben. Anmeldung ist kostenlos und dauert nur eine Minute.
Bestehender Account
Schon ein Account bei Google/GoogleMail? Keine Anmeldung erforderlich!
Mit Google-Account einloggen
Mit Google-Account einloggen
Noch kein Account? Hier anmelden.
