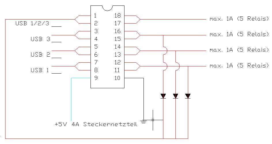
Hallo, möchte mit den USB Anschlüssen von SAT Receiver, Mediaplayer usw. einige Schaltaufgaben tätigen. Da an den jeweiligen USB noch Festplatten angeschlossen sind, soll der jeweilige USB Ausgang so wenig wie möglich belastet werden. 1. allg. Frage zum TD62783APG: lt. Datenblatt ist jeder Ausgang mit 500mA belastbar. Kann ich das verdoppeln, wenn ich 2 Ein- und Ausgänge parallel betreibe? 2. mit wievielen mA würde diese Schaltung einen USB belasten? 3. muss ich Massen vom Steckernetzteil und USB Anschlüssen zusammenführen? 4. die Dioden (Schottky BAT 43) zur ODER Verschaltung von Ausgang 1, 2 und 3 sind sicher erforderlich, dabei fällt jedoch Spannung ab. Kann ich, damit auch am ODER Ausgang 5V anstehen (Relais sind teilweise bis zu 12m entfernt), mit dem ODER Zeig nochmal in den TD62783APG rein und falls ja, kann an dem Ausgang, der den ODER Zweig triggert, dann die max. Stromstärke entnommen werden? Danke Franz
Bitte melde dich an um einen Beitrag zu schreiben. Anmeldung ist kostenlos und dauert nur eine Minute.
Bestehender Account
Schon ein Account bei Google/GoogleMail? Keine Anmeldung erforderlich!
Mit Google-Account einloggen
Mit Google-Account einloggen
Noch kein Account? Hier anmelden.
