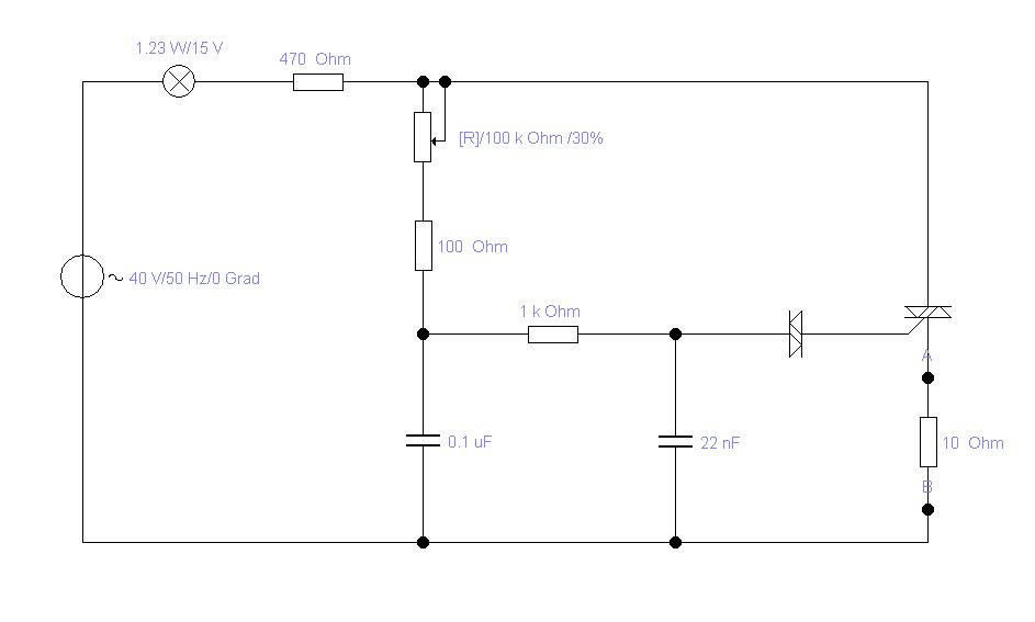
Hallo, kann mit bitte jemand diese Schaltung erklären? Ich weiß, was sie macht und das es mittels Phasenanschnittssteuerung geschieht. Ich brauche jedoch eine genaue Erklärung, wie jedes Bauteil sich verhält etc. Wäre sehr dankbar, wenn mir jemand helfen kann :D MFG RobinHood
Das ist die klassische Dimmer-Schaltung. Das RC-Netzwerk sorgt für eine Verzögerung (Phasenverschiebung). der Diac leitet ab der Durchbruchspannung und zündet den Triac dann mit einem genügend hohen Zündstrom. Die genauen Erklärungen zu den Bauteilen findest Du zu genüge im Netz bzw. in den Datenblättern.
Bitte melde dich an um einen Beitrag zu schreiben. Anmeldung ist kostenlos und dauert nur eine Minute.
Bestehender Account
Schon ein Account bei Google/GoogleMail? Keine Anmeldung erforderlich!
Mit Google-Account einloggen
Mit Google-Account einloggen
Noch kein Account? Hier anmelden.
