Hallo Ich weiß nicht ob ich mit dem Thema bei euch richtig bin, aber hier sind ja sehr wisensreiche Leute :) Alsooo...ich habe eine PWM mit dem TL949 (PWM IC) aufgebaut und damit einen BUZ11 angesteuert (N-Channel MOSFET). Der wird dann im 0.5Hz Takt aufgesteuert... Nun möchte ich das aber alles in SMD aufbauen. Finde aber keine Info darüber, ob es so einen BUZ11 auch in SMD Variante gibt? Besser wäre sowas wie 2 Mosfet in einem Gehäuse, oder eben auch einzelnd... Weil ich brauche diese Schaltung 2x auf einer Platine. Könnt ihr mir da helfen? Gruß BAsti
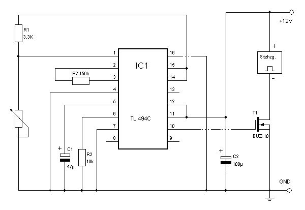
Also das ist für ne Ansteuerung einer Sitzheizung im Auto gedacht... Er dient da nur als Schalter...also entweder komplett aufgesteuert oder zu. max 4A... Das ja das schlimme :)
Wenn ich das ganze richtig interpretiere, willst du damit eine Sitzheizung ansteuern , oder ? Es gibt sicherlich vergleichbare Transistoren wie den BUZ11 als SMD , z.B. IRF540NS im D2PAK Gehäuse. Ich geh von etwas höheren Strömen aus, da wird´s mit 2 Stk. in einem Gehäuse raltiv eng.... Gruß Thomas
Oh sehr gut, der NS da sieht doch schonmal gut aus mit 33A.... Da die ja auchnicht warm werden durch die PWM muss er j auch nicht so extrem gekühlt werden. Aber im SO Gehäuse wird es die wohl auch nicht 2-fach geben... Den meinst du richtig? http://www.irf.com/product-info/datasheets/data/irf540ns.pdf
Hi Leute, IRF hat doch da noch weit ansprechendere Typen auf Lager, wie z.B. den IRLR2905. Der ist vom Gehäuse wesentlich kleiner, als der irf540. http://www.irf.com/product-info/datasheets/data/irlr2905.pdf Ich habe davon mal einige bestellt und verwende diese jetzt immer, wenn was zu schalten ist. Als P-Kanal gibt es einen ähnlichen Typ, den ich ebenfalls als StandardTyp einsetze. http://www.irf.com/product-info/datasheets/data/irfr5305.pdf Gruß AxelR.
Sieht aus wie nen N-Kanal...super, danke ;) Aber was heisst denn dieses HEXFET?
Oh, Auto. Da würde ich aber stabile Fets verwenden. Z.B.: Z.B. im TO220, hält auch 150 Volt aus: IRLI3615 Oder etwas knapper, dafür komplett SMD: IRL540NS Naja, wahrscheinlich würde ich den IRL540NS verwenden. Zwar von der maximalen Drain-Source-Spannung nicht ganz so toll, dafür dürfte der kleine Widerstand der Heizung im Kalt-Zustand diesem Mosfet auch nichts ausmachen und er hat bei 5 Volt Gate-Source-Spannung auch einen ordentlich kleinen Widerstand und er kann bei Hitze auch noch richtig Strom verkraften. Unbedingt daran denken: Auto = sehr, sehr böse und gemeine Störspannungen und widrige Bedingungen (Temperatur, Feuchte). Auto-Elektronik ist sehr anspruchsvoll. > Aber was heisst denn dieses HEXFET? So nennt IRF eben ihren Prozess, also die Technik und Art und Weise wie IRF seine Mosfets baut.
Hmm okay also doch der IRL540NS, weil SMD muss es ja sein, sonst kann ich es ja auch wieder mit dem BUZ11 machen, wollt es aber sehr klein haben Und wenn der 540NS für das Auto besser ist werd ich diesen mal testen. Danke :) Die max. Drain-Source Spannung ist doch egal, hab doch im Auto max. 16V...
Neeeneeee, nicht 16V..... die Spanung kann kurzzeitig viel weiter in den Himmel schiessen, wenn du z.b. Verbraucher abschaltest, die ordentlich Stroeme ziehen, z.B. Zuheizer (sofern verbaut, ca. 100A - 150A). Wenn so'n Teil laeuft, muss die Lichtmaschine ordentlich mallochen, wird das Teil abgeschaltet, darf die Lichtmaschine nicht mehr soviel Saft abgeben und es wird runtergeregelt. Und genau dann entsteht eine kurzzeitige Spannungsspitze, die ueber 30V geht. Und das ist in Sachen Spannungsschwankungen und -spitzen laengst nicht alles.
Schonmal was von Supressordioden und LC-Glied gehört? Der von mir verwendete N-Kanal ist auch im OpelOmega-B drinne und schaltet dort 6Ampere PWM mit 8Khz (Klimaanlage). Also als OriginalTeil ab Werk. Sollte also gehen, oder? man kann nat. auch einen IRL540 nehmen...
Für alle die sich ans KFZ-Boardnetz wagen wollen, unbedingt lesen: http://www.dse-faq.elektronik-kompendium.de/dse-faq.htm#F.23
Hallo Ich mal wieder.... Habe den 540ns mal bestellt....der ist ja richtig groß, dachte der wäre eine nummer kleiner ;( Gibts da nen ähnlichen, der kleiner ist? Weil der ist auch recht teuer, brauche da nen paar mehr von.... Kann auch weniger strom belastbar sein, weil ich ihn nur mit ner pwm im 1/10 sekunden takt ansteuere, also die Sitzheizung zieht 4A... Welchen nehme ich denn da? Gruß Basti
http://www.mikrocontroller.net/forum/read-1-262840.html#262932 der IRLR2905 kostet 63Cent bei Reichelt. Was spricht gegen diesen Typ?
Bitte melde dich an um einen Beitrag zu schreiben. Anmeldung ist kostenlos und dauert nur eine Minute.
Bestehender Account
Schon ein Account bei Google/GoogleMail? Keine Anmeldung erforderlich!
Mit Google-Account einloggen
Mit Google-Account einloggen
Noch kein Account? Hier anmelden.
