Hallo Leute !! Kann mir Bitte jemandem erklären die funktionsweise dieser Schaltung. Vielen Dank im Voraus
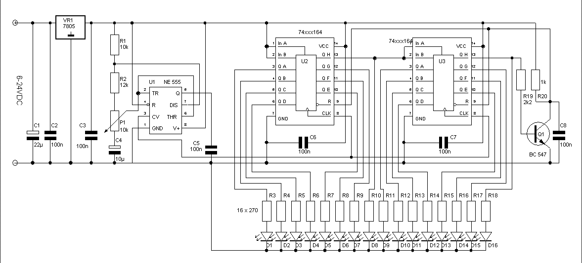
Hallo, der U555 erzegt einen Takt, der von CV auf die Takteingaänge der Schieberegister 74xx164 ausgegeben wird. Mit P1 kann man die Taktfrequenz verändern. Das 1. Schiebregister liest an seinem Dateneingang immer "High-Pegel" ein. Mit jedem Takt wird die Information (also High-Pegel) in den Schiebregistern um ein Bitt weitergeschoben. Wenn es am Ende des ersten Schiebregisters angekommen ist, wird es von Pin13 an das zweite Schiebregister weitergereicht. Kommt es hinten am 2 Schiebregister an, wird der Transistor Q1 durchgeschaltet, der dann die Schiebregister resetet. Dann sind alle Ausgänge wider low und es geht von vorn los. Praktisch sollte das so aussehen: die LED gene nacheinandner an, bis alle zusammen kurz ausgehen und es wieder vor vorn beginnt. Gruß Öletronika
Bitte melde dich an um einen Beitrag zu schreiben. Anmeldung ist kostenlos und dauert nur eine Minute.
Bestehender Account
Schon ein Account bei Google/GoogleMail? Keine Anmeldung erforderlich!
Mit Google-Account einloggen
Mit Google-Account einloggen
Noch kein Account? Hier anmelden.
