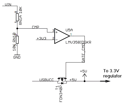
Hallo, ich versorge meinen Arduino durch einen 12 Volt auf 5 Volt Schaltregler von Recom direkt durch den 5Volt Pin, da ich den Arduino jedoch noch übr USB programmieren muss wollte ich Fragen ob ich die 5 Volt Versorgung durch den Pin abstecken muss (möchte ja nix kaputt machen), oder ob beides möglich ist wie beim Vin Eingang? Der Schaltplan ist angehängt. Danke für eure Antworten.
Bitte melde dich an um einen Beitrag zu schreiben. Anmeldung ist kostenlos und dauert nur eine Minute.
Bestehender Account
Schon ein Account bei Google/GoogleMail? Keine Anmeldung erforderlich!
Mit Google-Account einloggen
Mit Google-Account einloggen
Noch kein Account? Hier anmelden.
