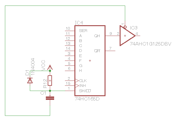
Hi, ich will einen 74xx165 SPI Kompatibel betreiben, da noch eine SD Karte und andere Sachen am SPI hängen. Hierfür kommt an den Q ein 74xx1G125. Da mir jedoch die Steuerleitungen knapp werden, würde ich das 165 und den 125 gerne mit nur einem Signal steuern. Meine Idee war ein Monoflop an PL, dass durch den Low Level am 125er gesteuert wird. Da ich keinen Platz für die zusätzlichen Bauteile bei einem NE555 z.B. habe, würde ich es gerne wie im Bild gezeigt realisieren. Kann das zuverlässig funktionieren?
@ SeDa (Gast) >Da mir jedoch die Steuerleitungen knapp werden, würde ich das 165 und >den 125 gerne mit nur einem Signal steuern. Logisch. >Meine Idee war ein Monoflop an PL, dass durch den Low Level am 125er >gesteuert wird. Nein. Nimm einen Inverter. >Da ich keinen Platz für die zusätzlichen Bauteile bei einem NE555 z.B. >habe, würde ich es gerne wie im Bild gezeigt realisieren. Naja, so geht es auch, ist halt ein kleiner Hackertrick ;-) D1 kannst du weglassen, die ist im Chip schon drin.
> Nein. Nimm einen Inverter. Gute Idee. Einen 1G04 würde ich noch unter bekommen. > D1 kannst du weglassen, die ist im Chip schon drin. Wenn ich wieder umschalte sind dann plötzlich 10V mit 10-100nF gepuffert auf dem Pin, ob das die interne Diode lange mit macht? Eventuell noch einen 10k Widerstand direkt vor den Pin?
@SeDa (Gast) >> D1 kannst du weglassen, die ist im Chip schon drin. >Wenn ich wieder umschalte sind dann plötzlich 10V mit 10-100nF gepuffert >auf dem Pin, Nein. Der C wird schon vorher umgeladen. Der Teiberausgang, welcher CS treibt, begrenzt dabei den Strom. > ob das die interne Diode lange mit macht? Eventuell noch >einen 10k Widerstand direkt vor den Pin? 1k reicht locker, ggf. auch 100 Ohm.
Wo finde ich denn den 1G126 zu normalen Preisen? Ich habe ihn bis jetzt nur bei Mouser zum ca. 10 fachen Preis vom 125er gefunden.
http://de.farnell.com/nxp/74ahc1g126gw-125/puffer-leit-treiber-n-invertier/dp/2444895 http://de.farnell.com/texas-instruments/sn74ahct1g126dbvr/ic-n-invert-bus-puffer-gate-sot23/dp/2342371
Bitte melde dich an um einen Beitrag zu schreiben. Anmeldung ist kostenlos und dauert nur eine Minute.
Bestehender Account
Schon ein Account bei Google/GoogleMail? Keine Anmeldung erforderlich!
Mit Google-Account einloggen
Mit Google-Account einloggen
Noch kein Account? Hier anmelden.
