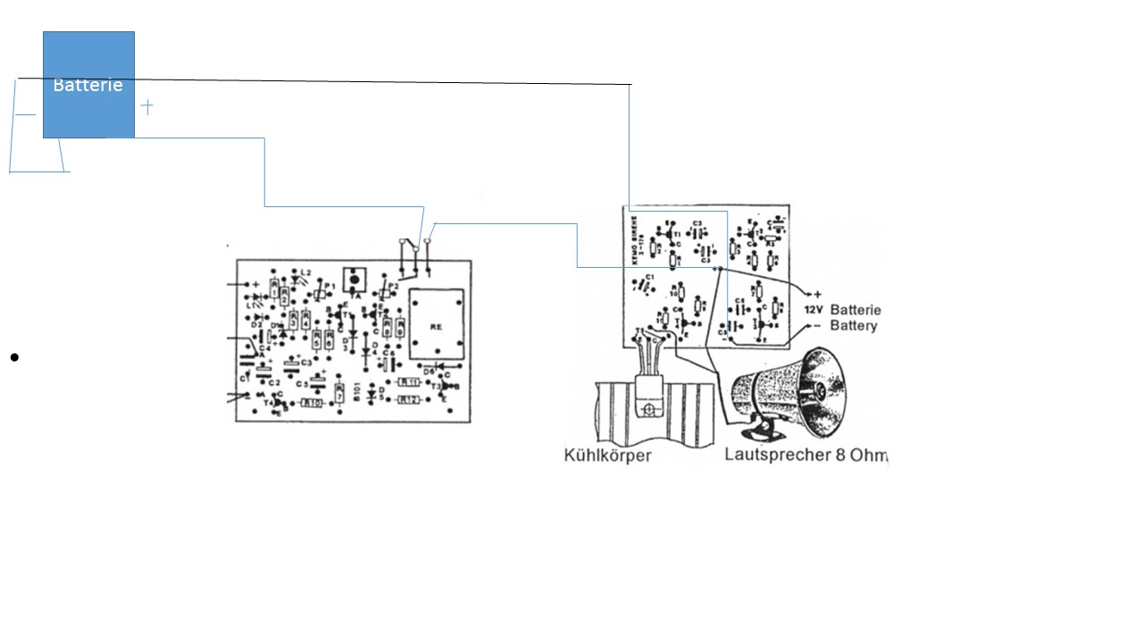
Hallo, ich habe mir vor kurzem eine Alarmanlage und eine Sirene von Kemo gekauft. Habe alles richtig verlötet und angeschlossen aber es passiert nichts. Hier einmal eine darstellung: Bitte um schnelle Hilfe Danke im Vorraus fabino
Bekommt die linke Platine auch noch eine Versorgungsspannung? Oder gehen da wirklich nur die zwei Drähte hin?
Ob die Sirene Krach macht, wenn du sie direkt an 12V anschliesst, hast du schon ausprobiert? Wenn nicht, probier das erstmal. Nun musst du die Alarmanlage mit Strom versorgen und die Sirene anschliessen, so, wie du es aufgemalt hast, das ist schon richtig. Ich hab dir das mal in deine Folie reingeschmiert. Logisch, das du an Punkt A noch die Alarmkontakte anschliessen musst - wie, steht in der Anleitung vom Herrn Kernchen.
Bitte melde dich an um einen Beitrag zu schreiben. Anmeldung ist kostenlos und dauert nur eine Minute.
Bestehender Account
Schon ein Account bei Google/GoogleMail? Keine Anmeldung erforderlich!
Mit Google-Account einloggen
Mit Google-Account einloggen
Noch kein Account? Hier anmelden.

