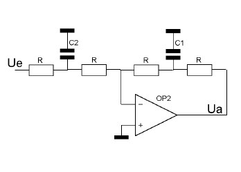
Hallo, ich bin gerade ein wenig in Konflikt mit meinem Rechenergebnis und meinem Verständnis für OPV - vielleicht kann mir jemand auf die Sprünge helfen!? --> Anhang Die Übertragungsfunktion Ua/Ue habe ich berechnet: v = -(2+jwC1R)/2+jwC2R) So, nun sei C2=0: v = -1 -jwC1R*0.5 Wenn ich nun den Betrag der komplexen Verstärkung über der Frequenz auftrage, dann ergibt sich eine steigende Gerade --> Hochpass 1.Ordnung soviel zur Rechnung. Wenn ich mir ohne Rechnung zwei Punkte für w=0 und w=oo überlege, dann passt das mit der Rechnung nicht zusammen. Meine Überlegung: w=0: C1 hat unendlichen Widerstand, kann ich also vergessen. Die Verstärkung berechnet sich also v = - 2R/2R = -1 w=oo: C1 ist Kurzschluss, ein Widerstand (zw. C1 und U-) wird überbrückt. Die Verstärkung ist jetzt v = - R/2R = -0.5 --> kein Hochpassverhalten?!? Wo liegt der Hund begraben? Wäre schön, wenn mir jemand auf die Sprünge helfen könnte Gruß, Christian PS: Nein, ihr sollt nicht meine Hausaufgaben machen :)
w=oo: C1 ist Kurzschluss -> Spannung über C1=0 -> keine Gegenkopplung -> Verstärkung ist jetzt -oo (OPV ideal) -> Hochpassverhalten ohne Serienwiderstand zu C1 ist diese Schaltung aber nicht stabil
ahhhhh, klar! C1 macht ja nen Kurzschluss zur "wirklichen" Masse, nicht zur "virtuellen" Massen an U-. An U- habe ich dann nur den Eingangs-Spannungsteiler 2R/R und der OPV arbeitet mit idealer oo Verstärkung -> Hochpassverhalten Vielen Dank!! Gruß, Christian
Bitte melde dich an um einen Beitrag zu schreiben. Anmeldung ist kostenlos und dauert nur eine Minute.
Bestehender Account
Schon ein Account bei Google/GoogleMail? Keine Anmeldung erforderlich!
Mit Google-Account einloggen
Mit Google-Account einloggen
Noch kein Account? Hier anmelden.
