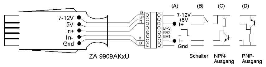
Hallo, ich möchte das Geschwindigkeitsprofil einer Welle mit einem optischen Inkrementalgeber auslesen. Sensor: HEDS 9000 mit Lochscheibe (Datenblatt im Anhang) Messgerät: Ahlborn ALMEMO 2690 mit Frequenzmessmodul ZA 9909-AK1U (Bild) Der Sensor ist TTL-kompatibel und gibt zwei Rechtecksignale, die 90° phasenverschoben sind, aus. Das würd ich mir gern mit dem Messgerät anzeigen lassen und weiß nicht, wie ich das anschließe. Spannungsversorgung von 5 V über das Messgerät ist kein Problem und kommt beim Sensor auch an (messe am Sensor über ein Multi 4,8 V). Habe auch schon den Ausgang vom Sensor (CH-A) auf I(+) vom Messgerät gelegt, aber nichts gemessen. Um (CH-B) auch aufnehmen zu können, würde ich den an I(-) setzen. I(-) ist aber mit GND gebrückt. Also macht das ja wieder keinen Sinn. Kann mir jemand verständlich weiterhelfen, wie ich das sinnvollerweise verdrahte (ich bin Verfahrenstechnikerin und überhaupt nicht vom Fach)? Lg Maren
Wenn du Geschwindigkeiten messen willst, reicht vollkommen einen Kanal des Encoders an das Meßgerät anzuschließen. Mit zwei kanälen kannst du den Ort (Winkel) bestimmen. Baruchst du aber wohl nicht. Das Freqeunzmessmodul hat wohl nur einen Eingang (+ und -). - an GND, Encoder GND an Mess-GND, und + an den Encoderausgang egal ob Channel A oder Channel B, die haben ja die gleiche Geschwindigkeit.
Da du nur die Frequenz messen willst/kannst und nicht die Drehrichtung, wertest du nur einen Kanal aus, der andere wird nicht angeschlossen. Da du 5V angeschlossen hast, müsste die LED leuchten -> prüfen, infrarot. Da IN- mit GND verbunden ist, ist richtig. Nun muss an IN+ ein Signal von 0V und 7-12V, den Zeichnungen nach. Dein Sensor liefert nur 0V und 2.4V-5V. Eventuell ist das zu wenig um erkannt zu werden, eventuell muss man die Auswerteelektronik erst auf das Signal einstellen. Falls man das Signal verstärken muss: +---- 7-12V | +---- IN+ | 1k (Widerstand 0207 0.25-0.6W) | +---- IN- | Sensor --1k--|< BC547 |E Masse --------+---- GND Also IN- von Masse trennen und wie bei einem NPN Ausgang verbinden.
Dein Frequenzmessmodul hat Optokoppler Eingänge zur galvanischen Trennung. Eingangsspannungen von 4 bis 24V. Damit erklärt sich die Beschaltung eig. von selbst. Wenn Du deinen Encoder aus dem Modul versorgst kommt I- an GND des 9909 und dein Encoder GND ebenfalls. +5V des 9909 gehen zu VCC des Encoders und CH-A kommt an I+. Mit einem Osziloskop prüfen. Aber so sollte es gehen. Zur Frequenzmessung ist nur ein Kanal notwendig.
Vielen Dank für eure schnelle Hilfe! Nach dem Brücken von I(-) und GND kann ich problemlos die Geschwindigkeit anzeigen lassen. Lg
Bitte melde dich an um einen Beitrag zu schreiben. Anmeldung ist kostenlos und dauert nur eine Minute.
Bestehender Account
Schon ein Account bei Google/GoogleMail? Keine Anmeldung erforderlich!
Mit Google-Account einloggen
Mit Google-Account einloggen
Noch kein Account? Hier anmelden.

