Hallo, ich hatte vor einiger Zeit bei Pollin mal so eine "Überraschungsbox" mit verschiedenen ICs gekauft. Einder davon ist der TMS3731BNL 7113 QB GERMANY 8727 IC von Texas Instruments (siehe Foto anbei). Leider lässt sich dieser IC nicht identifizieren. Habt Ihr eine Idee, wie ich dahinter komme, was das für ein IC ist? Viele Grüße, Rainer
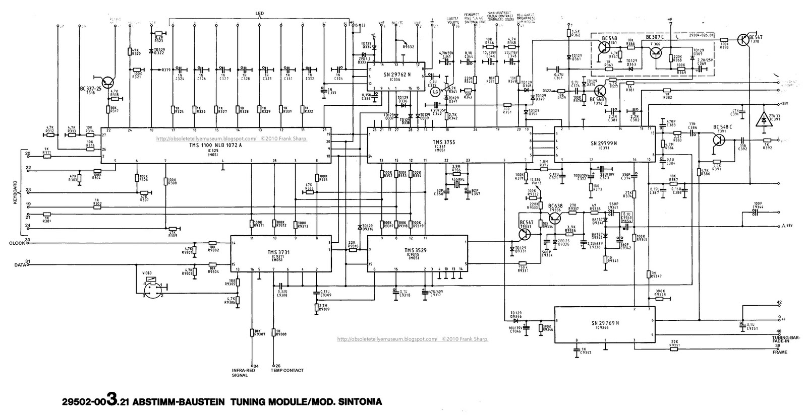
http://4.bp.blogspot.com/_SPwX1vYEKqg/TO7QRf5qNoI/AAAAAAAACQk/dFcEyV5p1kw/s1600/20502.03.22BSCHEM.jpg http://4.bp.blogspot.com/_SPwX1vYEKqg/TL9LOVoR9oI/AAAAAAAAAbE/A9YRtWY_eTY/s1600/img_1177.jpg Das ist ein digitaler MOS für einen TV-Tuner-Chipsatz, vermutlich ein IR-Dekoder, (?) siehe Schaltplan und Foto. Wenn Du nicht einen alten Grundigfernseher hast, ist der Chip wertlos.
Bitte melde dich an um einen Beitrag zu schreiben. Anmeldung ist kostenlos und dauert nur eine Minute.
Bestehender Account
Schon ein Account bei Google/GoogleMail? Keine Anmeldung erforderlich!
Mit Google-Account einloggen
Mit Google-Account einloggen
Noch kein Account? Hier anmelden.
