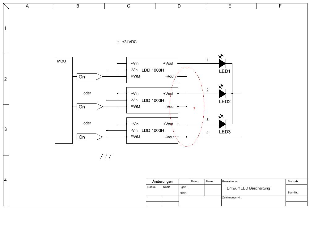
Hallo, ich habe eine dreifarbige LED - Lampe (eine LED pro Farbe, Adern 1,2 und 3), welche über ein 4-adriges Kabel angeschlossen ist. Dabei liegt nun der Minuspol der LEDs auf der gemeinsamen Ader 4. Es soll nun immer genau eine LED leuchten, niemals zwei/drei gleichzeitig, was ich über einen MC steuern würde. Kann ich in diesem Fall die -Vout - Anschlüsse der LDD-1000H KSQ gemeinsam anschließen? Danke und viele Grüße->robbeh
Hallo Robbeh Das Datenblatt von deinem Chip sagt nichts aus über seinen Ausgangstyp aus und deswegen kann man so nicht sagen ob deine Schaltung funktionieren würde -> frag mal Mean Well an. Kenndaten von deiner Lampe wäre noch interessant (Spannung, Strom). Vielleicht findet man damit eine einfachere Lösung. Gruss sebi
Was sind das für LEDs, dass du nicht direkt an den Ausgang des uC gehen kannst? Wäre einiges Einfacher. (Tipp: Minuspol der LED heisst Kathode)
Ich denke es ist sinnvoller, die LEDs einzeln zum jeweiligen -Vout zurückzuführen. Dies sagt jedenfalls das Datenblatt. Ich weiss nicht, ob er den zurückkommenden Strom auch noch misst und mit diesem vergleicht.
Meanwell schreibt in http://www.meanwell.com/mw_search/LDD-H/LDD-H-spec.pdf, 1. Seite ganz unten: "The output ... should not be connected to the ... output from other sources."
Naja es ist eine Stromquelle, mit DC/DC drinnen. Ich vermute, dass der Strom über einen Shunt gemessen wird und auf den Feedback vom DC/DC geht. Wenn es High-Side-Sensing ist, sollte das gehen, bei Low-Side-Sensing schaltest du die drei Strommessungen parallel und wenn da dann nichts schwingt, Regelt er auf den 3fachen Strom. Für die Anwendung könnte es spezielle Treiber geben. Zur not mit nem Treiber-IC selbst aufbauen. Schön wird es dann aber auch nicht, wenn du einen DC/DC auf High-Side-Sensing umbaust, aber warum nicht.
Hallo und danke für die Antworten. Der Hinweis auf die Fußnote hat mich überzeugt, ich muss eine neue Lampe mit 6 statt 4 Adern aufbauen.
Bitte melde dich an um einen Beitrag zu schreiben. Anmeldung ist kostenlos und dauert nur eine Minute.
Bestehender Account
Schon ein Account bei Google/GoogleMail? Keine Anmeldung erforderlich!
Mit Google-Account einloggen
Mit Google-Account einloggen
Noch kein Account? Hier anmelden.
