Hallo, ich will eine ISA Karte nachbauen, die ein GAL für die Adressdecodierung verwendet. Leider habe ich keinen GAL-Prommer und wollte das GAL evtl. duch ein EPROM oder normale Logik ersetzen. Nur hab ich von GALS absolut keine ahnung. Schaltung: http://baycom.org/bayweb/tech/anleitdt/4500.fdr/4500s.gif Das GAL sitze ganz oben link. Der Inhalt der GALS ist hier http://baycom.org/bayweb/tech/anleitdt/4500.fdr/4500.htm ganz unten zu finden. Kann mir bei meinem Problem jemand weiterhelfen?
Hallo Jochen, Dein GAL Sourcecode sieht wie ABEL aus. Diesen Code kannst Du in ein CPLD (z.B. Xilinx CPLD 9536) bringen. Dieser Baustein kann auch mit Versorgung von 5V umgehen. Als Programmiertool kannst Du das "kostenlose" WebPACK Softwarepaket benutzen. Nachteil eines CPLD ist halt das größere Gehäuse. Übrigens das CPLD besitzt auch noch 36 FlipFlops, die Du ja gar nicht benötigst. Ein einfaches ist es, die beiden kaskadierten Zähler IC5 und IC6 gleich mit ins CPLD zu nehmen, damit es nicht ganz "leer" ist :-) . Falls Du noch Fragen hast, kannst Du Dich ja nochmal bei mir melden.
Falls du noch ein Platinenlayout erstellen musst, würde ich dir auch empfehlen lieber einen größeren cpld zu nehmen. Da ist soviel "dumme" Logik verbaut das könnte man mit einem cpld sicherlich vereinfachen. Was sagen die Profis dazu?
Hi Jochen, wo hast du denn die SCC-Bausteine dafür her ? Ich dachte die gibt es nicht mehr. Nun, es gibt OMs mit GAL-Programmern, ich könnte da vielleicht vermitteln, dann musst du das Layout nicht ändern. Bist du auf ISA-Bus angewiesen ? Von Jens, DG1KJD gibts eine PCI-SCC-Karte, 4 Multimegabitports (Anm. für Nichtfunker: In der Anwendung ist das richtig, richtig viel :-)). Kost ca. 130. Wär evtl. das was ? N, das klingt nach Franke ? bin in db0asf-Land, aber z.Zt. nicht in PR QRV. Vy 73, Hendi, DG3HDA. dg3hda@f6kft.fcal.fra.eu
Hallo, erstmal vielen Dank für die Antworten. Muß ich mal sehen, wie ich das mache. Hintergrund: Die SCC läuft bei DB0HOF. Momentan ist eine PCISCC im Einsatz. Leider läuft das unter Windows alles andere als Stabil. Der Rechner stürzt regelmäßig ab. Wir haben jetzt schon verschiedene Rechner nur verschiedene Treiber für die Karte getestet. Leider ohne Erfolg. Jetzt wollen wir den Digi evtl. auf einem 386er oder so laufen lassen. Als HDD soll ne CF-Karte mit RAM-Drive eingesetzt werden. So ist die ganze Sache auch viel Stromsparender. MfG, Jochen - DH1NFJ
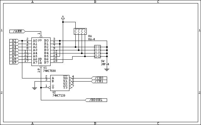
@Jochen Hallo, das GAL könnte man z.B. durch diese Standard-Bausteine ersetzen (s. Bild). Die gibt es sicherlich auch in 10 Jahren noch (vielleicht aber keinen Rechner mehr mit ISA-Bus). mit freundlichen Grüßen Frank
Hallo Frank, vielen Dank für die Antwort! Das war genau das, was ich gesucht hab... MfG, Jochen
Wenn du nur einmal ein GAL programmieren willst wird dies der schnellste Weg sein: http://www.geocities.com/ResearchTriangle/Forum/8070/program.htm
Hallo @all Ich suche einen Baustein, der klein ist möglichst DIL und mir 2 TTL Bausteine ersetzen kann (3xAND und 2x OR) und eventuell etwas mehr Ich dachte an einen GAL, aber ispGALs sind viel zu teuer. Ein einfacher wäre dagegen schon denkbar. Der hier im Porum angepriesene Xilinx CPLD 9536 ist nur als PLCC zu bekommen und das ist zu groß für die Anwendung. Da würde sich doch ein GAL anbieten oder? Andere Vorschläge? Wenn GAL, gibt es auch andere Programmierer außer den GALBLAST (nicht kommerziell) um solch einen Chip zu programmieren, oder irgendwelche Infos zum programmieren eines Gals? Gruß Marco
Hi! Auf dem Gal steht noch die Ausführungszeit, die ist schon wichtig "GAL 16V8-??". Das die einiges an Strom haben wollen ist dir bewust? Und wenn ich dir welche brenne? Welche Stückzahl brauchst du denn? (hoffentlich habe ich überhaupt noch welche da) MFG Uwe
Hi! Oder noch schneller, ich schicke dir das JEDEC File und du baust schnell mal den Progr. von oben. JEDEC geht aber erst heute Nachmittag. MFG Uwe
Bitte melde dich an um einen Beitrag zu schreiben. Anmeldung ist kostenlos und dauert nur eine Minute.
Bestehender Account
Schon ein Account bei Google/GoogleMail? Keine Anmeldung erforderlich!
Mit Google-Account einloggen
Mit Google-Account einloggen
Noch kein Account? Hier anmelden.
