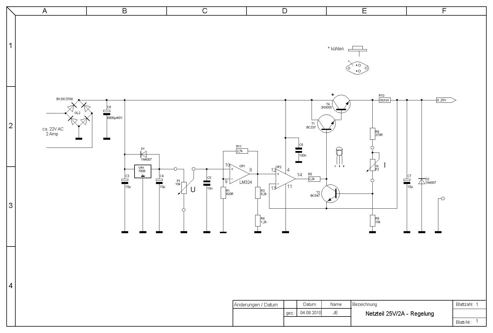
hallo erstmal, habe ein labornetzteil nach diesem schaltplan gebaut. die spannung lässt sich schön regeln soweit aber strom kann ich nicht regeln. habe ich etwas übersehen? komme einfach nicht weiter. danke schonmal vorraus. so jetzt könnts ihr mich zerreißen :))
Der Widerstand R9 sollte nicht nach Masse, sondern eher zum Ausgang gehen. Da hat man dann wenigstens einen kleinen Einstellbereich. Etwas größer wird der Bereich, wenn man man mit R8 an die Basis von T4 geht, statt an den Emitter. Diese Art der Strombegrenzung ist allerdings nicht gerade Temperaturstabil. Das ist weniger ein Konstantstrom-Regelung, mehr eine Strombegrenzung als Überlastschutz. Als Vergleichsspannung dient die Basis- Emitterspannung, und die ist temperaturabhängig. Mit einem 1 Ohm / 1 W shunt sollte man auch kaum über 1 A gehen. Ob die Spannungsregelung stabil ist, d.h. nicht schwingt, hängt von der der Last ab. Das kann gut gehen, aber mir einem Low ESR Kondensator am Ausgang auch schwingen. Da fehlt die passende Kompensation der Regelschleife. Die Klassische Lösung nutzt einen Kondensator am OP als Rückkopplung und einen Widerstand in der Leitung vom Ausgang zum OP. Alternativ könnte es auch mit eine Kondensator von vor dem Shunt und dem Widerstand gehen.
Moin das ist aus heutiger Sicht kein Labornetzteil. Wenn Du das so einfach bauen möchtes, nimm einen LM200. Der ist alle mal besser als Deine Schaltung. Bis 35 Volt und 1.5 A. Oder Boosten und gut ist. Holger
44W rein, 50W raus. Cool! Bilden sich Eiszapfen am Transistor? :-D 7805 als Spannungsreferenz - naja ... Ich würde das Ganze auch nicht als Labornetzteil bezeichnen wollen. Wurde offensichtlich auch nicht von jemandem mit Erfahrung entworfen. Gruß Jobst
Hallo Einmal angenommen, Du hast keinen Fehler beim Aufbau gemacht.. Das ist doch schon mal gut. Der Regelbereich für den Strom erscheint mir zu klein. Soll der maximale Strom bis Null einstellbar sein, warum dann nicht genauso eine Referenz wie für die Spannung auch für den Strom verwenden? Also statt einen Transistor mit seiner BE Strecke "messen" zu lassen, noch einen Op-Amp verstärken bzw, vergleichen lassen und dann einen "Brems" oder "runter" Wert mit Diode dem Regel-Op-Amp zuführen. Die evtl. schon bestehende Stromregelung stellt anscheinend eine Art elektronische Sicherung dar. Ergänzungen: Die Diode am Eingang (etwas stärker wär besser) könnte durch eine Schmelzsicherung am Ausgang ergänzt werden. Beim Aufladen von Akkus könnte evtl. ein voller Akku bei Stromausfall die Leistungstransistoren beschädigen. Dafür kann man eine Diode über diese Transistoren schalten.(Ube evtl. sonst zu groß) Der eine Artikel über den Wirkungsgrad bezieht sich wohl auf die heutzutage oft verwendeten Schaltnetzteile. Da gibt es übrigens prima Module mit IC. 1€ bei ebay. Ich baue übrigens grad ein Labornetzteil mit verschiedenen Spannungen. 1* linear geregelt, etwa wie Deins, 1* mit Modul(Schaltregler,IC) mit fester Spannung für Handy Akkus und regelbar, Stromregelung kommt nachträglich zum Modul, und einmal nur Gleichrichter für Proxxon mit Thyristorregelung. MfG Matthias
OP1 ist überflüssig, ebenso die Widerstände um OP1.Der Schleiferkontakt des U Potis kann direkt an der Eingang von OP2 Der Rest ist, nun ja ja, sagen wir mal : nicht gut.
Bitte melde dich an um einen Beitrag zu schreiben. Anmeldung ist kostenlos und dauert nur eine Minute.
Bestehender Account
Schon ein Account bei Google/GoogleMail? Keine Anmeldung erforderlich!
Mit Google-Account einloggen
Mit Google-Account einloggen
Noch kein Account? Hier anmelden.
