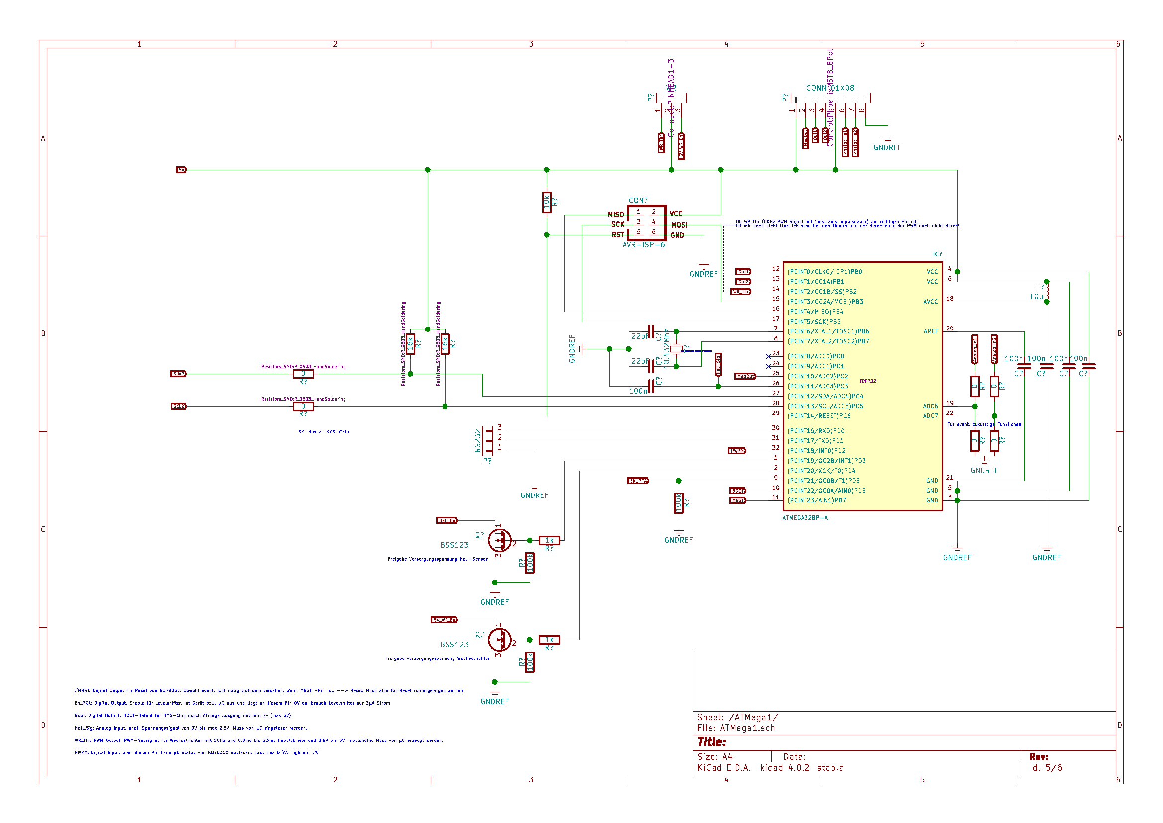
Hallo Leute, ich entwerfe eine Platine, die u.a. einen ATmega 328 bekommen und ein Servosignal für die Ansteuerung eines Modelbauwechselrichters am Pin 14 erzeugen soll. Um das Tastverhältnis des Servosignals (50 HZ, 1ms-2ms Impulsdauer) einzustellen bekommt der µC am Pin 26 die Spannung eines analogen Hallsensensors (2,5V - 4V). Außerdem wird der µC mit einem 18,432 MHz Baudratenquarz versorgt, da der µC über RS232/USART mit einem PC verbunden werden können soll (für Debugging und spätere Softwareupdates). Den Schaltplan vom µC findet ihr auch im Anhang. Meine Fragen sind: 1. Ist das der richtige Pin (14) zur Ausgabe des Servosignals? 2. Wie werden diese 50Hz mit 1-2ms Impuls dann im µC aus dem Hall-Signal erzeugt? Ich benötige eine möglichst wörtliche Beschreibung, da ich bis jetzt null Ahnung vom Programmieren habe und das, was hier bereits in den Beiträgen zu finden war nicht wirklich verstehe. Das Programmieren des µC soll jemand anderes machen. Gerne könnt ihr euch auch mal die restliche Beschaltung anschauen und mir sagen, wenn euch Fehler auffallen. Besten Dank schon mal. Gruß Armin
@Armin (Gast) >1. Ist das der richtige Pin (14) zur Ausgabe des Servosignals? Man sollte eines der OCR1A/B pins nehmen. Hast du dir deinen Schaltplan (DIESES BILD!) mal selber angeschaut? Siehe Bildformate! Das kann keiner entziffern! >2. Wie werden diese 50Hz mit 1-2ms Impuls dann im µC aus dem Hall-Signal >erzeugt? Dur passende Softwarelogik. Sensorsignal mittels ADC-einlesen, umrechnen und per Output Compare FUktion als PWM ausgeben. >Ich benötige eine möglichst wörtliche Beschreibung, da ich bis >jetzt null Ahnung vom Programmieren habe und das, was hier bereits in >den Beiträgen zu finden war nicht wirklich verstehe. Das Programmieren >des µC soll jemand anderes machen. Dann sollte der auch die Fragen stellen und das klären. Sonst wird es nur stille Post.
Hallo Falk, danke für die schenlle Antwort! Ich habe noch mal ein neues Bild im richtigen Format angehangen und hoffe, dass es nun besser und alles erkennbar ist. Der Servosignal soll laut meinem Plan an OC1B ausgegeben werden, da das ja der Ausgabepin für Timer 1 mit 16 Bit ist und dieser für das Servosignal wohl laut den vorhandenen Forendiskussionen der beste für die Art Signal ist. Ich kann es mit dem Programmierer leider noch nicht klären, da ich diesen noch nicht gefunden habe. Deshalb stehe ich etwas im Dunkeln. Besten Dank! Armin
@ Armin (Gast) >Ich habe noch mal ein neues Bild im richtigen Format angehangen und Besser. >Der Servosignal soll laut meinem Plan an OC1B ausgegeben werden, da das >ja der Ausgabepin für Timer 1 mit 16 Bit ist und dieser für das >Servosignal wohl laut den vorhandenen Forendiskussionen der beste für >die Art Signal ist. Das ist korrekt.
Bitte melde dich an um einen Beitrag zu schreiben. Anmeldung ist kostenlos und dauert nur eine Minute.
Bestehender Account
Schon ein Account bei Google/GoogleMail? Keine Anmeldung erforderlich!
Mit Google-Account einloggen
Mit Google-Account einloggen
Noch kein Account? Hier anmelden.

