Hi, ich suche Optokoppler mit Enable-Eingang. Gibt es sowas überhaupt? Sollte wie immer nicht zu teuer und leicht beschaffbar sein... Ralf
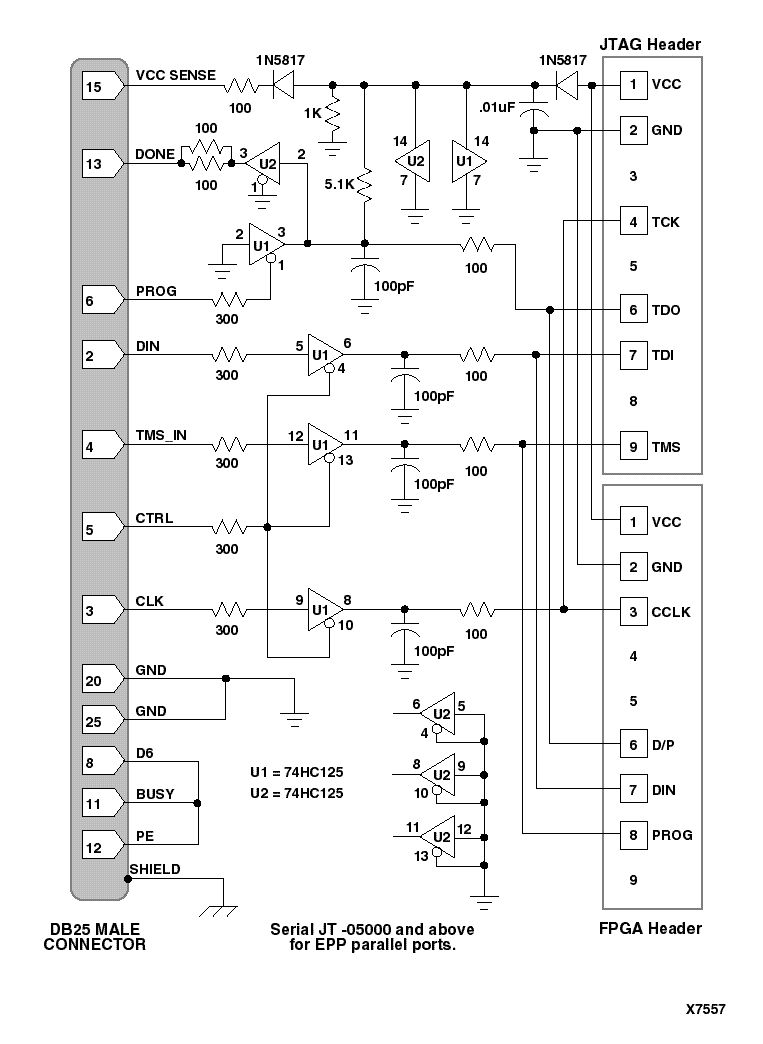
@Ingo: Danke ich werde sie mir mal ansehen... @MicroMann: Im Anhang befindet sich der Schaltplan zum Parallel-Port-Programmier-Kabel von Xilinx für CPLDs/FPGAs. Ich möchte den HC125 durch Optokoppler ersetzen --> Es geht also um Logik-Level... Ralf
"Parallel-Port-Programmier-Kabel von Xilinx für CPLDs/FPGAs." Mit dem 6N137 gehts schon, dann kannst du aber nur die 5 V Devices proggen. Der 74HC125 hat die angenehme Eigenschaft, dass er sowohl mit 3,3 als auch mit 5 Volt läuft. Vielleicht bekommst du bei Reichelt einen Optokoppler wie den 6N137, der auch bei 3,3 Volt läuft. Viel Erfolg.
Bitte melde dich an um einen Beitrag zu schreiben. Anmeldung ist kostenlos und dauert nur eine Minute.
Bestehender Account
Schon ein Account bei Google/GoogleMail? Keine Anmeldung erforderlich!
Mit Google-Account einloggen
Mit Google-Account einloggen
Noch kein Account? Hier anmelden.
