Hallo.. das orginal programm avr314 läuft ohne probleme auf einen mega16 aber nun sollte eigentlich ein kleinerer controler (mega8)das tuen die ports sind nun andere ... habe ich ja soweit geändert änderungen sind mit ## gekennzeichnet nun was habe ich übersehen das das auch auf einem mega 8 läuft ? ev. kann mir ja einer sagen wo der/die fehler liegen ???
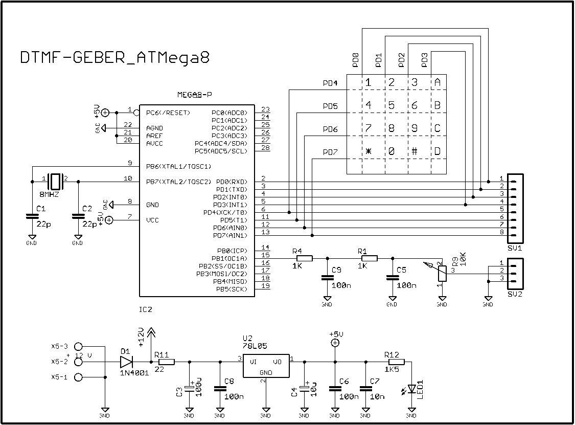
Hallo hier ist auch noch der schaltplan für den atmega8 könnte eigentlich funktionieren ....nur schweigt er hartnäckig
Hallo hat keiner interresse an mein problem ? eine umsetzung nach tiny2313 währe natürlich noch besser jürgen
du bist echt hartnäckig *g ich habe war keine ahnung von DTMF, aber mir fehlt der DTMF-Baustein. Die Tastatur-Matrix an den AVR anschließen hat meiner Meinung nach absolut gar nichts mit DTMF zu tun..
schöööön... denn haben ja schon 2 garkeine ahnung das ist ja das problem ... dtmf mit tastenencoder kann ja jeder aber den baustein habe ich leider auch nicht.. und aussserdem dass mann den sogut wie nicht mehr bekommt und wenn... denn über 10 euro will ich mir nicht antuen womit ich wieder bei avr angekommen bin und deren pwm-möglichkeiten bei einem mega 16 geht das ja soweit wunderbar nur bekomme ich das programm aus irgendwelchen gründen nicht auf einen mechanisch kleineren dip-avr zum laufen
überigends hier noch die basis meiner versuche... http://www.atmel.com/dyn/resources/prod_documents/DOC1982.PDF http://www.atmel.com/dyn/resources/prod_documents/AVR314.zip
hmmm.... dann mache ich hier eben den alleinunterhalter tiny26 scheidet nun wohl aus... hat keinen 16bit timer-register ? also mal den 2313 untersuchen ... wos da klemmt
na gut denn danke ich für die rege beteiligung
und ich werde hier schliessen
es ist nicht alle tage ......
ich komme wieder ...keine frage
http://www.mikrocontroller.net/forum/read-1-306630.html#new
ev. lag das ja nur an der überschrift ????????????????
Wie wäre es mit dem Bascom DTMF Befehl. einfacher gehts wohl nicht. DTMFOUT number,zeit_in_ms Compare 1 ist der Output
Hat schon jemand den C-Code portiert? Ich suche noch nach C-Code zum erzeugen von DTMF-Tönen mit einem Mega8. Grüße, Jürgen
keine Ahnung ob es noch jemanden interessiert, der Fehler kam durch die Ausgangsänderung zustande:
1 | ;********************************* |
2 | ; RESET Interrupt |
3 | ;********************************* |
4 | start: |
5 | sbi DDRB,PB1 ; Set pin PD5 as output( PB1 M8) ## |
6 | ldi tmp,low(RAMEND) |
DDRB statt DDRD schreiben und schon funzts. Grüße aus dem toten Thread :)
Bitte melde dich an um einen Beitrag zu schreiben. Anmeldung ist kostenlos und dauert nur eine Minute.
Bestehender Account
Schon ein Account bei Google/GoogleMail? Keine Anmeldung erforderlich!
Mit Google-Account einloggen
Mit Google-Account einloggen
Noch kein Account? Hier anmelden.
