Hallo Leute, brauche mal bissel Hilfe, da ich nicht so der Elektroniker bin. Ich will aus 12VDC v. einem Schaltnetzteil 5V machen für etwas über 3A. Bei CONRAD hat man mir den LT1084-5 CP empfohlen. Das ist ein "Positiv-Low-Drop-Festspannungsregler", 5A. Hab eine kl. Sp-Regler-Bausatzplatine entsprechen bestückt. Es kommen auch genau 5.00 Volt raus, aber sobald ich die auch nur mit z.B. 200mA belaste, bricht die Spannung zusammen auf zB. 4.3V. Dann laufen natürlich meine beiden Festplatten nicht mehr richtig an. Hab alles nochmal geprüft, finde aber keinen Fehler. Im Datenlatt (Anhang) steht irgendwas mit 3V Differenz .. aber ich verstehe das nicht. Kann jemand helfen ? Danke, Marc
Hallo! Wieviel Ampere kann denn dein Schaltnetzteil liefern? Wenn das keine 3A bringt kannst du die auch nicht auf der 5V Seite entnehmen.
Vergiss nicht einen dicken Kuehlkoerper anzuschrauben. Bei 12V in und 5V out macht das bei 3 Ampere fette 21W, die in Waerme verwandelt werden und entsprechend abgeleitet werden muessen. Der Typ bei Conrad wettet wohl drauf, dass du bald Ersatz brauchst. Bei solchen Stroemen sind Schaltregler (gibts auch als fertige Module) effektiver.
@Basti: Wieso? Der Sinn eines Schaltreglers ist doch unter anderem einen Strom ungleich dem Eingangsstrom zu entnehmen. Sonst wäre es ja ein Linearregler. Wenn er 5V braucht bei 3A und einen Schaltregler mit 80% Wirkungsgrad hat, reichen 1,5625A beim Schaltnetzteil auch aus.
probiers ma mit sowas (nur ne anregung); des ding ist ein abwärtsschaltregler; sollte relativ schnell sein.
Andre, er hat aber einen Linearregler. Ergo muss das Schaltnetzteil 3A liefern, wenn er hinterm Linearregler 3A abnimmt.
@b.Sieber Wo bitte wird in der Schaltung geschaltet ? Das ist ja wohl eher ein Linearregler mit Leistungsendstufe.
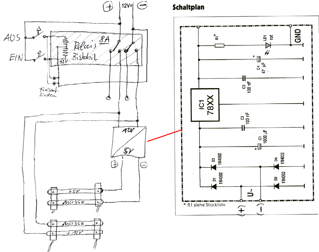
'tschuldigung, mußte erst scannen .. :-) Also das Schaltnetzteil kan 12V, 5A. Die 12V werden nur mit ca. 0.75A belastet. Da müßte doch genug 'Luft' f.d. 5V-Strom sein .. ? Und hier ist der Schaltplan .. (sorry, nur schnelle Skize). Geht das so ?
Jo, dass muesste reichen. Ungekuehlt schafft der LT1084 aber unter diesen Bedingungen max. 0,4A bevor er in Rauch aufgeht. Hast du ein Voltmeter ? Miss mal die 12V Spannung vom Netzteil bei Belastung. Wenn die stabil bleibt, ist der Wurm in der Reglerschaltung.
... ach so, hatte ich noch nicht gesagt: Dioden auf 5A-Typen geändert, dicker Kühlkörper, kl. Lüfter davor ..
Ich denke, dein Problem ist die Tatsache, dass du statt des 7805 einen LT eingeloetet hast. Der hat eine andere Anschlussbelegung.
@The Daz ist die ausgangsspannung (spannung am -Amp eingang des OPs) kleiner als die eingestellte Spannung (spannung am +Amp eingang des OPs) so ist der OP-Ausgang positiv => transistor öffnet => der kondensator am ausgang läd sich; ist die ausgangsspannung größer oder gleich als die eingestellte spannung am wird der OP-Ausgang auf masse gesezt => transistor sperrt => kondensator entläd sich über die angeschlossene Last; nach dem ersten aufladen des kondensators beginnt (wenn man am ausgang Strom zieht) die ganze schaltung, durch das oben dargestellte prinzip, das schwingen (bzw. schalten); da der strom der in die schaltung hineinfließt immer ein und ausgeschalten wird ist der effektivwert des eingangsstromes natürlich niedriger als sein spitzenwert mfg bs PS: ich weiß das es komisch ausschaut, aber man kann schaltnetzteile nicht nur mit spulen, sondern auch mit kondensatorn aufbauen!!!!
@Daz: ja, andere Reihenfolge der Beinchen, habe ich berücksichtigt und geändert !
@Marc der LT ist nicht ein einfacher Ersatztyp fuer einen 7805. Er braucht ein Widerstaende zur Einstellung der Ausgangsspannung. Schau dir mal das Datenblatt an. Wenn du den adjust-Pin auf GND ziehst, dann schaltest du den Regler ab.
@b. Sieber Ja, sowas habe ich mir nach meinem post dann auch gedacht. Damit wird aber kein echter Schaltregler realisiert, weil der Transistor nicht nur im auf/zu Betrieb benutzt wird und damit faellt eben wieder eine recht hohe Verlustleistung an. Zugegeben: besser als ein Linearregler. Der Nachteil ist ein brummende Ausgangsspannung.
---> DANKE , das muß es sein ! Der liegt ja auf Masse ! Aber was für einen Widerstand muß ich da nehmen ? Kann ich ein Poti nehmen ? und welche Wattzahl ?
Im Schaltbeispiel v. D'Blatt sind einmal 121 Ohm fest gegen Plus und 36 hm variabel gegen Masse - müssen diese Werte so sein .. ?
@Daz ich hab ein regelbares netzteil mit diesem prinzip aufgebaut (schaltplan etwas erweitert, das man es auch linear betreiben kann) welches im schaltbetrieb bei ener eingangsspannung von 48V und einer ausgangsspannung von 5V 7,5A (=> 37,5W) einen eingangsstrom von nur 0, 84A zieht (=> 40,32W) => ein verlust von nur 2,82W => da wird nix warm!!! (rechnung wenn man den spannungsfall von 0.7V am transistor auser acht lässt welcher nichtmal ein watt ausmacht)
@ The Daz: DANKE nochmal ! Werd ich heute abend umlöten :)) Dank auch euch anderen ! :))
Im Prinzip kannst du das auch mit Festwiderstaenden machen. Fuer 5V muss R2 = 3 x R1 sein. Je hoeher die Widerstandswerte sind, desto mehr faellt der Steuerstrom von 50uA ins Gewicht. Der Fehler betraegt immer 50uA*R2. Solange du im kleinen kOhm Bereich bleibst, ist das vernachlaessigbar.
@b.sieber & @the Daz: Das ist ein einwandfreier Linearregler, da wird (ausser vielleicht beim Einschwingen) nichts geschaltet. Der OpAmp wird den Ausgangsstrom immer so regeln, dass seine zwei Eingangsspannungen gleich sind, die Differenz zw. 12 und 5 V wird komplett im Transistor verbraten. Ist nunmal kein digitales Bauteil, so ein OpAmp
Hi, falsches Datenblatt! es handelt sich um einen LT1084-5CP, richtig? Dieser hat KEINEN Adj-Pin! 1 = GND ===| | \ 2 = V_out ===| | o | 3 = V_in ===|____|___/ das richtige Datenblatt: http://www.alldatasheet.com/datasheet-pdf/pdf/70295/LINER/LT1084-3.3.html Gruß AxelR. DG1RTO DL1RON silent key RIM
@b.Sieber Interessant. Kannst du sagen, wie hoch der Brumm ist und welche Frequenz er hat ? 2N3055 habe ich naemlich noch massig rumliegen und wenn die Randbedingungen stimmen ist das mal ne echte Alternative.
@Axel das ist allerdings ein wahres Wort. Habs Datenblatt vom Conrad gezogen, und das ist das gleiche, wie das, auf das dein link verweist. Marc, welche Bestellnummer hatte dein Regler ? Muesste auf der Rechnung stehen.
@ Axel: das hieße ja, daß ich den DOCH so schalten kann ! Also KEINE Widerstände zum Einstellen ? Was ist dann falsch, verflixt ... ?
Bei Conrad hat der die Nummer 14 82 10 - 27 (die 27 ist glaub ich unwichtig, nur Merketing-Kennzeichen )
Dann hat Axel recht. Nix Widerstaende. Der Wurm muss also auf deiner Platine sitzen.
@ Daz brum is in abhängigkeit vom kondensator wenn du einen richtig großen kondensator (mein netzteil hat 4x 10000µF) nimmst kriegst du ihn je nach last kleiner 0,05V; Frequenz is abhängig vom ausgangsstrom, wenn du zwischen OP -ausgang und masse noch einen Kondensator zur dämfung reinstrickst kannst du das ganze als linearregler bnutzen!! mfg bs
... aaarghh ! Mistwurm! Bei so wenig Bauelementen kann man doch keine Fehler machen .. dachte ich ! Können die Freilaufdioden damit was zu un haben ? Oder ist einfach Verhältnis Ein- /Ausgggs-Spg. zu groß und zuviel Verlustleistung ? Wie gesgat, im LEERLAUF funktioniert alles bestens :(
Hab grade mal die 12V direkt auf den Eingang des LT gelegt: dasselbe Problem. Sobald kleine Last da ist, sackt die Spannung ab, je mehr Last, desto weiter.
Marc, bei zuviel Verlustleistung muesste der LT sehr heiss werden. Er stirbt bei 125 Grad. Hast du ihn schon gegrillt ? Wenn du nur 0,75A brauchst, warum schmeisst du soviel Geld fuer nen LT1084 aus dem Fenster ? Ein billiger 78S05 bringt 2A und kostet nur nen Euro (nur am Rande falls dein LT im Eimer ist). Freilaufdioden kann ich in deinem Plan nicht sehen. Der Gleichrichter am Eingang ist ueberfluessig, du betreibst das Ding ja am Schaltnetzteil und nicht hinter nem Trafo. Testweise koenntest du den LT mal freiverdrahtet ohne Platine (aber mit Kuehlkoerper) betreiben. Die Kondensatoren sind fuer so einen simplen Test nicht noetig. Wenn er dann noch immer muckt ist er im Eimer.
Daz, die 0.75A ziehe ich 12V-seitig. 5V-seitig brau che ich etwas über 3A. der LT wird mit Kühlkörper nur lauwarm. (Freilaufdioden sind über Relais-Spulen-Hälften) Hab gerade entdeckt, daß zu Anfang zu HD's wegen zuwenig Spg. nur 'tickern' - und dann laufen sie plötzlich im ..x-ten Versuch an. Spg. liegt ist offensichtlich langsam um 0.2V gestiegne --> nun bei 4.6V was offensichtlich f.d. HD's reicht ..
Hmm. Klingt wirklich nach nem kaputten Regler oder zu duenne Zu- und Ableitungen.
Zu dünne Leitungen ??? Welche meinst Du denn ..? Nur die zum Regler ? Oder auch alle anderen ?
Standardbreite sieh mal das Layout (Anhang) Die Beinkreuzung habe ich gelöst. indem ich das OUT-Bein v. unten angelötet habe (Regler 'liegt quasi quer ab v.d. Platine).
Kannst du mal die Spannung direkt zwischen Out- und GND-Pin des Reglers messen ? Wenn da 5V anliegen sind die Platine oder deine weitere Verdrahtung Schuld. Wenn dort auch nur 4,6V sind ist der Regler im Eimer.
Zur Not kannst du mit einem Widerstand zwischen GND pin und GND die Ausgangsspannung leicht anheben. Ein 500 oder 1k Ohm Poti sollte reichen.
0,2 Volt Abweichung bei Zimmertemperatur sind zuviel. Ich glaube der LT hat nen Schaden.
Das probier' ich mal .... Okay, geht nur jetzt nicht sofort, muß erstmal raus. Danke soweit, ich werd's schon noch finden ... ;-) tschö ! Marc
Hallo, Wie gross ist denn der Elko am Ausgang? das Datenblatt schreibt mindestens 150µF AL oder 22µF Ta-Elko vor, um die Schwingneigung zu unterdrücken. Hast Du die Ausgangsspannung schon mal mit nem Oszi überprüft, ob das Teil schwingt? @daz und b. Sieber: mit 12V Eingang und 5V Ausgangsspannung kriegt der 2N3055 knapp 1,5mA Basisstrom. Da muss ein wenig nachdimensioniert werden.. Eine ähnliche Schaltung mit FET war in der Elrad 12/87 S.32 "Kurz und klein gehackt" Ausserdem sind im Datenblatt des LM317 von NatSemi (Sept 2001) auf Seite 15 zwei Beispiele für ein Schaltnetzteil enthalten. Arno
LM 1084 IT5,0 = Festspannungsregler 5V 5A Bei Reichelt 1,55 Euro. Soviel zum Thema Conrad.
das war wohl schon immer so und Conrad verdient ja daran wie man sieht nicht schlecht. Bei reichelt kannste gleich nuch restteile + versand dazu nehmen und is billiger als der regler allein beim C
Bitte melde dich an um einen Beitrag zu schreiben. Anmeldung ist kostenlos und dauert nur eine Minute.
Bestehender Account
Schon ein Account bei Google/GoogleMail? Keine Anmeldung erforderlich!
Mit Google-Account einloggen
Mit Google-Account einloggen
Noch kein Account? Hier anmelden.


