Hallo, ich habe noch einige 89C2051/89C4051 liegen, und plane diese in zukünftigen projekten für einfache aufgaben mitzuverwenden. Habt ihr schaltpläne für einfache programmiergeräte, und evtl freie Programmiersoftware?
Schon mal beim Hersteller nachgesehen? http://www.atmel.com/dyn/products/app_notes.asp?family_id=604
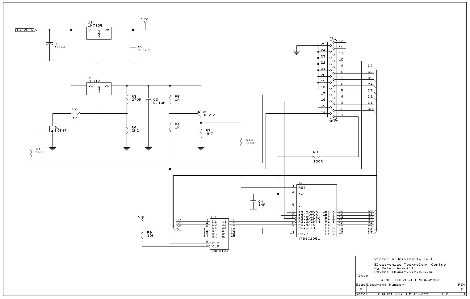
Hab was gefunden was q&d genug ist für mich :-)) IC-Prog und den TAFE programmer...
Bitte melde dich an um einen Beitrag zu schreiben. Anmeldung ist kostenlos und dauert nur eine Minute.
Bestehender Account
Schon ein Account bei Google/GoogleMail? Keine Anmeldung erforderlich!
Mit Google-Account einloggen
Mit Google-Account einloggen
Noch kein Account? Hier anmelden.
