Moin Leute, bin gerade dabei ein LED Treiber zu Simulieren. Ich Verwende hier eine Boost-Converter. Leider Zickt mein Model etwas. Es wird gemeckert Shorted Voltage. Fatal Error: Shorted voltage source: u1:vg2 Leider ist da Google nicht so erfolgreich, vielleicht weis jemand von euch einen Rat? Viele Grüße aus dem Rheinsichen
Hallo Hans Martin, Das Problem liegt im Modell. SGND und PGND sind im Modell über 0V Quellen and GND. Die kann man dann außen nicht nochmal erden. Entweder außen nicht anschließen oder im Modell die zwei Zeilen zu Kommentar machen. Ich habe letzteres gemacht. Da sist der * in der 1. Spalte. *VG1 GND SGND 0V *VG2 GND PGND 0V Da waren auch noch Fehler im Schaltplan. Jetzt läuft die Simulation und du kannst die Bauteilewerte nach Datenblatt optimieren. Gruß Helmut Nachtrag: Ich habe die Spannungsquelle auf 12V gestellt und vergessen die wieder auf 8V zurückzusetzen. Das solletst du noch machen.
Hallo nochmal und vielen dank! Das hat mich schonmal sehr weiter gebracht. Da ich bei sowas immer Sukzessiv vorgehe wollte ich nun den PWM Eingang "in Betrieb" nehmen um das Signal mit einem µC zu steuern. Bei Vollaussteuerung sollte der PWMDIM min. 1.23 V haben und der von mir eingezeichnete p-Mosfet durchschalten. Leider liegt bei mir am Schaltausgang DIMOUT die Spannung ISENSE+ an (siehe Datenblatt Seite 11). Könnte das ein Fehler im Modell sein? Datenblatt: https://datasheets.maximintegrated.com/en/ds/MAX16833-MAX16833G.pdf Viele Grüße
Du musst den PMOS-Transistor an den Ausgang anschließen. Siehe Bild. Ich habe auch das Kompensations-Netzwerk geändert (1uF, 10Ohm).
Hallo nochmal, vielen Dank, auch für die Anpassungen am Comp-Kreis Leider sind die LEDs nicht die, die ich in der Lampe habe. Ich habe vermutlich von CREE die XML2 (Fahrradlampe aus China). Die haben bei den 2A ca 19 V VOrwärtspannung. Das Modell funtioiert nur dummerweise nicht. Die LEDs haben nahezu keinen Vorwärtsstrom bei voller Spannung. http://www.cree.com/~/media/Files/Cree/LED-Components-and-Modules/XLamp/XM-Family/XLamp-XML2-Spice.txt Hatte dieses Modell in die entsprechenden Fils eingepflegt. Leider mit bescheidenem Erfolg. Viele Grüße
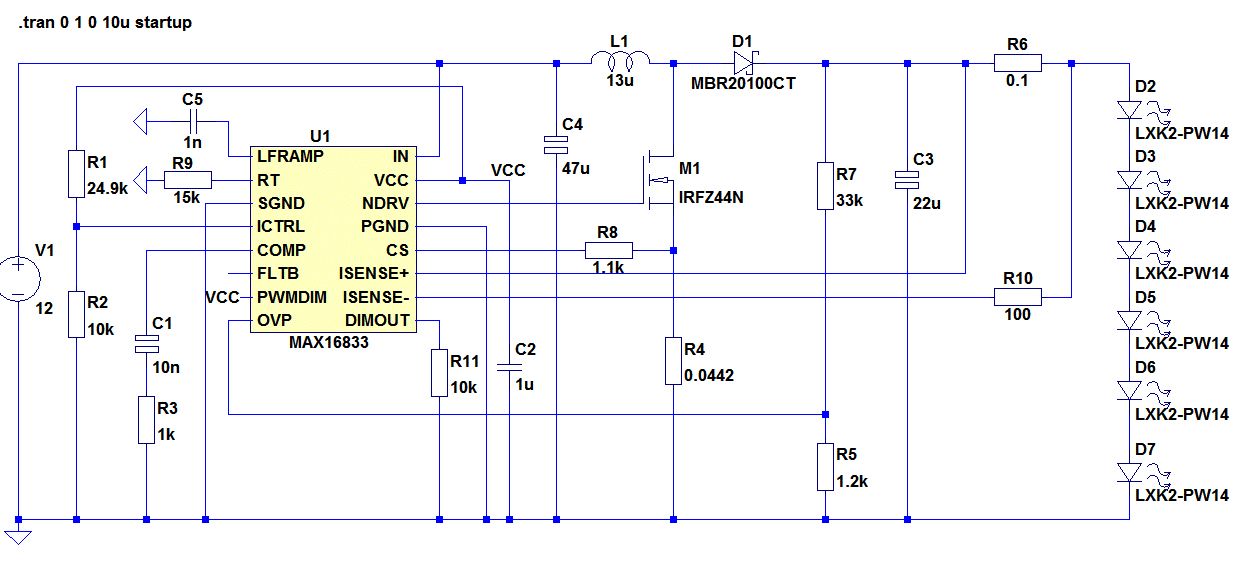
Hallo, probier mal die Schaltung. Allerdings verstehe ich nicht warum der Wandler abschaltet, wenn ich R6 von 0,1 auf 0,15Ohm ändere. Gruß Helmut
Ich glaube das hängt mit dem LED-Model zusammen. Wenn ich die an eine 3V Konstantspannungsquelle anschließe sollte ja der Strom laut Datenblatt fließen. Tut es aber leider nicht. Sehr seltsam
Bitte melde dich an um einen Beitrag zu schreiben. Anmeldung ist kostenlos und dauert nur eine Minute.
Bestehender Account
Schon ein Account bei Google/GoogleMail? Keine Anmeldung erforderlich!
Mit Google-Account einloggen
Mit Google-Account einloggen
Noch kein Account? Hier anmelden.



