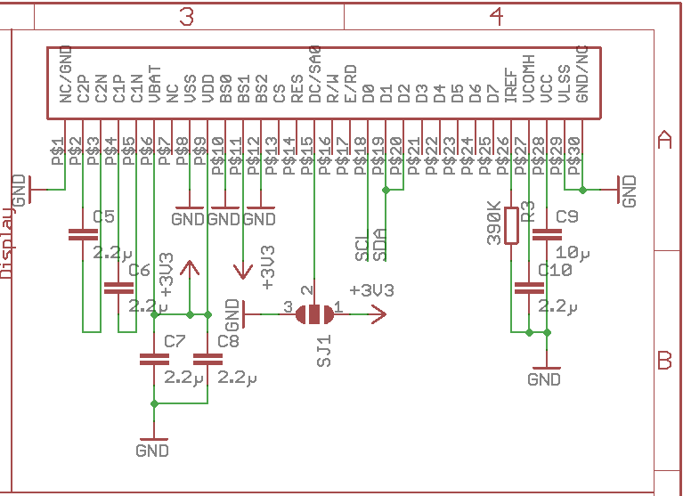
Moin, Ich hab versucht ein OLED anzusteuern Software ist in Ordnung da die mit anderen OLEDs Funktioniert, ich muss also einen Fehler in meiner Schaltung haben, leider finde ich den Fehler nicht. Vielleicht hat da jemand einen Tip angesteuert wird es mit I2C, Pullups sind nicht in der Schaltung da die woanders untergebracht sind.
Kein Datenblatt, nicht mal 'ne genaue Produktbezeichnung fürs OLED. Meine Kristallkugel ist in Reparatur...
Es gibt kein DB, für die Dinger aber hast recht hab vergessen zu schreiben das es nen 0,96" mit SSD1306 ist.
vielleicht ist es nicht richtig umgestellt? bei den "Fertigmodulen" kann man div. R umlöten und Brücken setzen/öffnen http://i.ebayimg.com/images/g/8NMAAOSwcUBYRnRe/s-l1600.jpg
Danke, hab es Herausgefunden PIN 11,40 müssen verbunden werden und dadran 1k nach VDD und 100n nach GND gelegt werden, allerdings ist mir unklar was die Schaltung macht. Hatte die Schaltung von "adafruit" genommen aber die scheint nicht vollständig zu sein.
Bitte melde dich an um einen Beitrag zu schreiben. Anmeldung ist kostenlos und dauert nur eine Minute.
Bestehender Account
Schon ein Account bei Google/GoogleMail? Keine Anmeldung erforderlich!
Mit Google-Account einloggen
Mit Google-Account einloggen
Noch kein Account? Hier anmelden.
