Hallo ihr Wissenden. Nachdem mir hier schon oft geholfen wurde, versuche ich mal wieder mein Glück. Ich möchte mit Hilfe des AD-Wandlers des ATTINY26 eine optische Anzeige eines Audiosignales realisieren, so wie man es von Verstärkern kennt. D.h. z.B. Signal leise keine LED an, lauter 1-2 LEDs an, usw. bis ganz laut alle LEDs an. Die Ansteuerung der LEDs und des Wandlers werde ich hinbekommen, nur habe ich keine Ahnung wie ich das "Audio-Signal" an den ATTINY anschließen bzw. messen soll (Schaltungstechnisch) und zwar so, dass es nicht verzerrt wird. Ich will es ja schließlich noch an einen Lautsprecher bzw. Verstärker weitergeben können. Deshalb frage ich hier die Experten: Hat vielleicht schon jemand eine solche Schaltung bzw. kann mir sagen wo ich so etwas finde. Google gab nichts großartiges her. Schonmal vielen Dank im Voraus. Grüße und macht weiter so, Erik
@Erik signal mit 1N4148 gleichrichten, mit einem Elko ca 1µF spannung etwas glätten, und mit ADC des AVR weiterverarbeiten.
@Sabine
Das klingt ja schon mal nicht schlecht.
Wären bei dieser Methode allerdings nicht Signalverzerrungen vor der
Schaltung ("Rückkopplungen") durch die Glättung zu erwarten?
Kann es mir passieren, dass das Signal über die AD-Wandler
verträglichen 5V steigt und falls ja, wie umgehe ich dieses Problem?
Gruß, Erik
@ Erik willst du das ganze an den Ausgang der NF-Endstufe anschließen ? ....damit die Spannung einen (bestimmten) Wert nicht überschreitet kannst du mit Zener-Dioden arbeiten, ...
@Sabine Was wäre denn besser? Prinzipiell habe ich beide Möglichkeiten. Beim Anschluss zwischen Quelle und Verstärker habe ich aber Angst vor Verzerrungen, wenn ich deine vorgeschlagene Schaltung parallel dazu schalte. Ich würde diese Verzerrungen (wenns welche gibt) dann ja noch durch den nachfolgenden Verstärker verstärken. Beim Anschluss am Verstärkerausgang werde ich aber mit Sicherheit Pegelprobleme bekommen. Was also tun?
@Erik oder du nutzt zur Begrenzung des Signals mehrere, in Flussrichtung gepolte Dioden. Spannungsabfall pro Diode 0,7V..... bei 3 Dioden wäre das Signalmaximum bei 3 * 0,7V =2,1V natürlich kannst Du auch noch mehr Dioden verwenden. Siehe Anhang...
@Sabine Ich glaube ich werde es mit Z-Diode versuchen (siehe Anhang). Ist die Schaltung soweit ok? Bist du dir sicher, dass das Signal,wenn es in den Verstärker kommt (also am Verstärkereingang) noch "ok" ist? Schonmal vielen Dank für die schnelle Hilfe und Mühe!
So wie abgebildet wird das mit haushaltsüblichen Audioquellen seltsam klingen (außerdem fehlt der Entladewiderstand für den C). Spendier lieber einen OP zur Entkoppelung, oder gleich einen Aktivgleichrichter mit Opamps (dazu steht z.B im LM3914 Datenblatt einiges). Andere Möglichkeit: AD-Eingang mit (großen) Widerständen auf 1/2 U_ref legen und das Audiosignal mit einem Kondensator einkoppeln, dann muss die Gleichrichtung halt im Programm passieren. Die Spannungsbegrenzung am Eingang kannst Du auch den Dioden im Eingang des uC überlassen und musst nur mit einem passenden Vorwiderstand den Strom durch selbige begrenzen.
@Erik um sicherzugehen, das durch die ohmsche (und kapazitive) Last keine Verzerrungen entstehen, würde ich die folgende Schaltung einsetzen..... ..ist gerade eben aus dem Handgelenk geschüttelt - siehe Anhang. Gruß, Sabine
Also wenn man mit z-Dioden direkt an eine verbindung von z.B.
Mixer ------o------Verstärker
|
Pegelanzeige
geht, wird das Signal natürlich auch am Verstärker begrenzt.
Also kommt vor der Pegelanzeige ein Spannungasteiler und eine kleine
Verstärkerstufe. Da die Anzeige sich nur mit ca. 0,1Hz ändern soll ist
das im einfachsten Fall ein einzelner Transistor und ein RC-Tiefpass.
Weiter dann wie oben beschrieben.
...achso natürlich für jeden Stereokanal einzeln oder als Summensignal
>-RRRR---+
|
>-RRRR---o---->
|
R
R
|
>--------o---->
Hey Erik! Entlich mal ein Namensverwandter :) Ich würde zuerst das Audiosignal durch einen nicht invertierenden OP mit Vu=1 schicken (Impedanzwandlung). Somit belastest du das Signal nicht. Zum Überspannungsschutz: Zwingend einen Vorwiderstand für die Z-Diode, sonst geht etwas in den Halbleiterhimmel. Welchen Frequenzbereich möchtest du denn anzeigen? Am einfachsten du filterst mittels Bandpass bevors an den ADC geht. Frequenzbereich musst du probieren/wissen? Du kannst das ganze auch digital mittels FFT berechnen, ich finde das aber ganz schön heftig, übersteigt meinen math. Bildungsstand. Siehe http://www.mikrocontroller.net/forum/read-10-139739.html#new
@Erik es ist doch schon ein wenig spät....natürlich benötigt die von mir vorgeschlagene Schaltung auch einen Entladewiderstand. Gruß, Sabine
*.eps, womit kann men das öffnen? (Der andere, nicht Thread-Öffner Erik)
@Erik from Erik ;-) Ja den Namen findet man nicht so oft :-) EPS ist ein Postscriptabkömmling. Du kannst dir die Datei z.B. mit Ghostview anzeigen lassen. Acrobat kanns scheinbar leider nicht. Dein Vorschlag klingt gut. Hast du vielleicht schon eine Schaltung oder so? @Sabine Werde mir die Schaltung gleich mal ansehen.
@Erik Habe Sabines Datei mal konvertiert und als JPG angehängt. Gruß, Erik
@Sabine Danke schonmal! Die Anpassung mit dem Poti finde ich gut. Welche Werte sollte ich für die einzelnen Bauteile so vorsehen? Kenne mich in der Audio- bzw. Analogelektronik leider nicht so gut aus. Bin eher ein Digitalmann. Deshalb bitte etwas Verständnis für die vielen analogen Fragen :-)
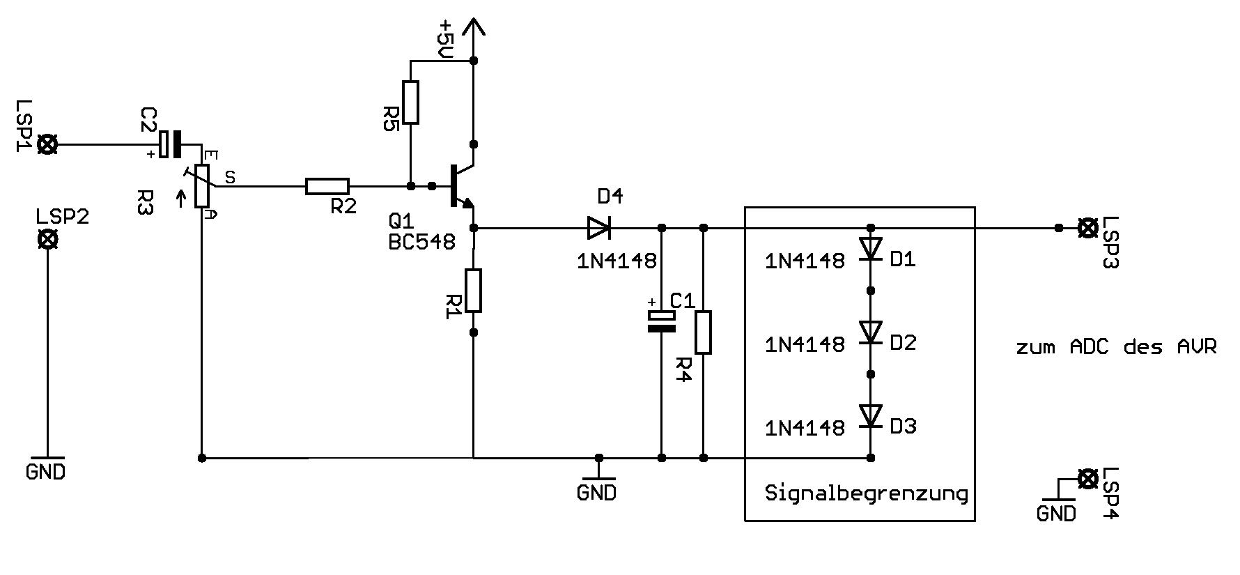
Könnte vielleicht jemand die obige Schaltung gegenchecken? Ich wollte diese nämlich mal aufbauen... Danke, Erik
kann man so machen. die drei Dioden als "Signalbegrenzung" kannst Du getrost weglassen. Wie hoch würdest Du die Signalamplitude an dieser Stelle in der Schaltung selbst schätzen?
@Axel: Sehe ich es richtig, dass da ca. 1,4V weniger drauf sind? Ube(Q1) und D4... schliesslich ist Q1 als Emitterfolger geschaltet (Stromverstärkung hoch, Spannungsverstärkung = 1)
Bei geringen Signalamplituden könnte es IMHO mit der Kennlinie der Dioden Probleme geben. Für eine ganz grobe Schätzung mag die Schaltung reichen. Für genauere Werte würde ich eine halbwegs saubere Gleichrichtung empfehlen. Bei dieser Schaltung gibt es auch keine Probleme mit der Diodenkennlinie: Wurde zwar schon häufiger gepostet, aber kann ja als Anregung nicht schaden: http://www.mikrocontroller.net/attachment.php/147584/Pegel.jpg Links Eingang, rechts Ausgang... Greetz kmt
Das Signal welches ich verarbeiten will kommt von einer Soundkarte. Ich denke also, dass die Signalbegrenzung nicht zwangsweise nötig ist. @Kai Markus Tegtmeier Leider habe ich keine -15V sondern "nur" +5V, +6V, oder +12V in der Schaltung. Da ich das Signal ja parallel noch auf nen Verstärker gebe, will ich möglichst wenig Verzerrungen bzw. Belastungen. Was haltet ihr diesbezüglich von folgender Schaltung, die ich gefunden habe: http://mitglied.lycos.de/bk4/AVRvu.htm Was mir daran ganz gut gefällt ist die Anpassbarkeit über die Potis. Ist die brauchbar? Danke und Grüße, Erik
-15V sind nicht unbedingt nötig. Eine symmetrische Versorgungsspannung mit +/- 5V würde ausreichen. Die negative Hilfsspannung läßt sich leicht durch entsprechende Regler aus der +5V-Versorgungsspannung gewinnen. Greetz kmt
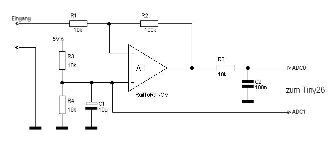
So habe ich´s gemacht: OpAmp mit Rail-To-Rail Charakteristik, der an 5V läuft, kaufen und beiliegende Schaltung aufbauen. Der Tiny26 wird dann in Differenzspannungsmessung über zwei A/D-Eingänge betrieben und somit kann man die Gleichrichtung per Software machen. Sowohl negative, als auch positiver Werte, die von "000" abweichen, kann man auswerten und somit eine Vollwellengleichrichtung programmieren. Über die externen Rs und Cs kann man die Verstärkung und Anstiegsgeschwindigkeit anpassen, während im Prozessor die Anzeigecharakteristik (schnell, langsam, Peak-Hold) programmiert werden kann. Eine Anzeige auf einem LCD stellt somit auch kein Problem dar. Für Stereo-Betrieb baut man die Schaltung mit Doppel-OV und nutzt einen weiteren A/D-Eingang zur Differenzmessung (also insgesamt 3, links-rechts und Bezugspotential Ub/2). Frohe Ostern und viel Spaß beim Basteln!
Ach ja, im Eingang sollte noch ein Folienkondensator von 1µF eingeschleift werden, falls noch kein Kondensator im Signalpfad liegt, der Gleichspannnungen vom Operationsverstärker fernhält. Ein zusätzlicher Serienwiderstand von 10k und dahinter je eine Schutzdiode 1N4148 in Sperrichtung zu jeder Versorgungsleitung (5V und Masse) vor der Gesamtschaltung ergeben einen wirksamen Überspannungsschutz.
Bitte melde dich an um einen Beitrag zu schreiben. Anmeldung ist kostenlos und dauert nur eine Minute.
Bestehender Account
Schon ein Account bei Google/GoogleMail? Keine Anmeldung erforderlich!
Mit Google-Account einloggen
Mit Google-Account einloggen
Noch kein Account? Hier anmelden.


