Ich würde gerne auf elektronischem Weg die Ausgangsignale meines Atmel µCs verstärken. Und zwar auf 2A. Problem ist, dass der µC ja nicht viel hergibt ich habe da nur so 3,5V bei 3,2mA zur Verfügung mit nem einfachen Transistor werde ich da wohl nicht weit kommen oder?
Das hängt von deiner Spannungsversorgung ab und nicht vom uC. Du kannst z.B. einen MOSFET oder irgendeinen Bipolaren an den Ausgang hängen und damit deine Last schalten, dadurch belastest du den Ausgang des uCs nicht. Was hast du denn genau vor?
ich habe 12V zur Verfügung und möchte damit ein Ventil ansteuern Das Ventil brauch 12V zum schalten und eben ca. 2A
ich habe mal MOSFET diesen rausgesucht BUK 100-50GL http://www.ortodoxism.ro/datasheets/philips/BUK100-50GL_1.pdf ich habe gelesen, dass man da noch nen Widerstand vorschalten sollte?
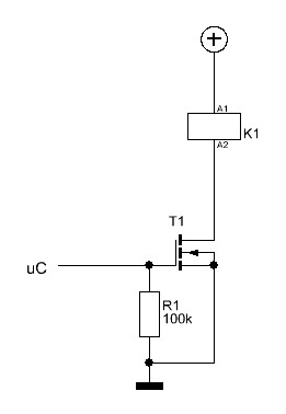
Ich habe das Datenblatt mal kurz überflogen.Den BUK kannst du nehmen . Ich würde noch einen 100k Pulldown davor schalten zum definierten abschalten. Strom durch Vorwiderstand begrenzen würde ich mir sparen.Ist ja auch schon für Logik Level.Ich habe mal einen Schaltplan gezeichnet.
danke für die Hilfe Ich bräuchte aber denke ich einen PullUp, siehe Schaltbild denn im Datenblatt steht bei dem Ausgängen für die HighLevel -3,5mA
Das ist schon ein N-Kanal d.h. du musst die Last gegen +12V schalten.MOSFETs sind unipolar. Ob das jetzt ein Verarmungs oder Anreicherungstyp ist sehe ich jetzt nicht.Von -3.5mA steht da nix. Aber weiter unten im Datenblatt sind Testschaltungen. Ich würde es so wie in meiner Schaltung machen. Ansonsten würde ich dir den BUZ10 oder IRF540 empfehlen, den kannst du auf jedenfall so ansteuern.
Das Symbol im Datenblatt deutet eindeutig auf einen Anreicherungstyp hin. Verarmungstypen sind auch ne sehr seltene Sache
Äh richtig bin leider ein wenig im Stress und habe es mir nicht so genau angeschaut. Der BUK ist bestimmt teuer? Ich würde den BUZ nehmen. Du willst ja nicht in KHz-bereich schalten oder? Dann sind Sachen wie On-resistance und kleine Gatekapazitäten wichtig und ich würde zu einem teureren Typ greifen.
ja der BUK kostet das dreifache vom IRF und wie du richtig vermutest, brauche ich in diesem Fall keine hohe Schaltfrequenz, danke für den Tipp! Die Angabe "HighLevel -3,5mA" steht im µC Datenblatt
einen Atmel 89C51 falls du vor hast zu gucken http://www.atmel.com/dyn/resources/prod_documents/doc4182.pdf Seite 169
Ich kenn mich mit den 80C51 ja nicht so aus aber um MOSFETs zu schalten brauchst du meistens sehr hohe Pegel und ein Pegel von max.1V reicht da wahrscheinlich nicht aus um den MOSFET gescheit auszusteuern. Musst wahrscheinlich eine Vorstufe mit einem Bipolaren davor setzen.
Alles wieder auf Anfang. Ich habe mich verlesen. Da steht Vout High Vcc-0,3V als unter normalen Umständen 4,7 V. Also alles okay. Ich bin heute etwas voreilig.
Bitte melde dich an um einen Beitrag zu schreiben. Anmeldung ist kostenlos und dauert nur eine Minute.
Bestehender Account
Schon ein Account bei Google/GoogleMail? Keine Anmeldung erforderlich!
Mit Google-Account einloggen
Mit Google-Account einloggen
Noch kein Account? Hier anmelden.

