Transister tester doesnt boot power comesvto both display and microprocessor only when switch pressed movement remove the fingure power cutoff please help me totrouble shoot the problem
Beitrag #5103121 wurde von einem Moderator gelöscht.
A few hints: 1. those funny looking characters help the readers a lot: .,:;!? 2. did you have a look at your video before sending it? 3. add some information: did the tester run till yesterday and now ist faulty? Or did you build it and got this behaviour? 4. what supply do you use? did you measure the supply voltage at failure?
Mir scheint der Finger zu nervös zu sein. Einmal NUR kurz betätigen reicht! Der Schalter wird viel zu lange gedrückt! Der Tester wird o.k. sein. Trotzdem wäre ein schärferes Video angebracht. Sorry, das mußte ich jetzt mal bemerken.
This just after build Supply given by power supply it read as 8.6v if press long enough I removed the display and processor both but stll power not delivered continuesly even with 9v battery result is same
Here is the video clip to demonstrate the problem I have two circuits with same problem please help
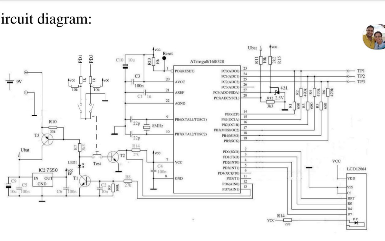
This is the circuit diagram hope this will help to find the cause
Thank you everybody who try to help me problem solved. LED Polarity was reversed Carl Drexler specil thank to you for your kind instructions for trouble shooting
Bitte melde dich an um einen Beitrag zu schreiben. Anmeldung ist kostenlos und dauert nur eine Minute.
Bestehender Account
Schon ein Account bei Google/GoogleMail? Keine Anmeldung erforderlich!
Mit Google-Account einloggen
Mit Google-Account einloggen
Noch kein Account? Hier anmelden.
