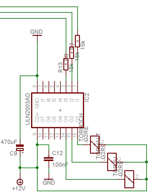
Hallo, möchte gerne einen Motor per uController ansteuern, der bis jetzt über Schalter/Taster per Hand gesteuert wird. Dazu habe ich mir die Schaltung im Anhang gebastelt, bzw. bin dabei. Bin mir dabei jedoch unsicher, da es sich bei dem Motor ja um eine induktive Last handelt. Der Motor (Schiebe-/Rolltor) ist ein fettes Teil, das Typenschild ist jedoch leider nicht mehr erkennbar. Abgesichert ist er seperat im Sicherungskasten mit 16A. Die eingesetzten Relais (habe ich hier noch und würde ich gerne verwenden) haben 16A 230V (Finder 40.61 Serie, Datenblatt: http://www.finder.de/pdf/datenblatt_serie_40.pdf ). Muss ich da den Ausgang der Relais noch irgendwie schützen? Wenn ja, wie genau? Gruss und schönes langes Wochenende, Peter
Nachtrag: "reicht" ein R = 270Ohm und C = 2uF (siehe Snubber Artikel) aus?
Ein 40.61 für diese Anwendung ? Ich hätte da so meine Bedenken... Probier es aus mit dem Snubber, aber ich würde mir ein Solid State Relais ansehen oder mal ein Schütz.
270 Ohm im Snubber?? 27 Ohm wäre passender. Alternativ ein Überspannungsableiter VDR http://cgi.ebay.de/Siemens-Varistor-SIOV-S20K420-420V-5-Stueck_W0QQitemZ9713769917QQcategoryZ12078QQrdZ1QQcmdZViewItem http://cgi.ebay.de/Siemens-Varistor-SIOV-S14K300-300V-30-Stueck_W0QQitemZ9715731463QQcategoryZ12078QQrdZ1QQcmdZViewItem natürlich parallel zur Last schalten
Bitte melde dich an um einen Beitrag zu schreiben. Anmeldung ist kostenlos und dauert nur eine Minute.
Bestehender Account
Schon ein Account bei Google/GoogleMail? Keine Anmeldung erforderlich!
Mit Google-Account einloggen
Mit Google-Account einloggen
Noch kein Account? Hier anmelden.
