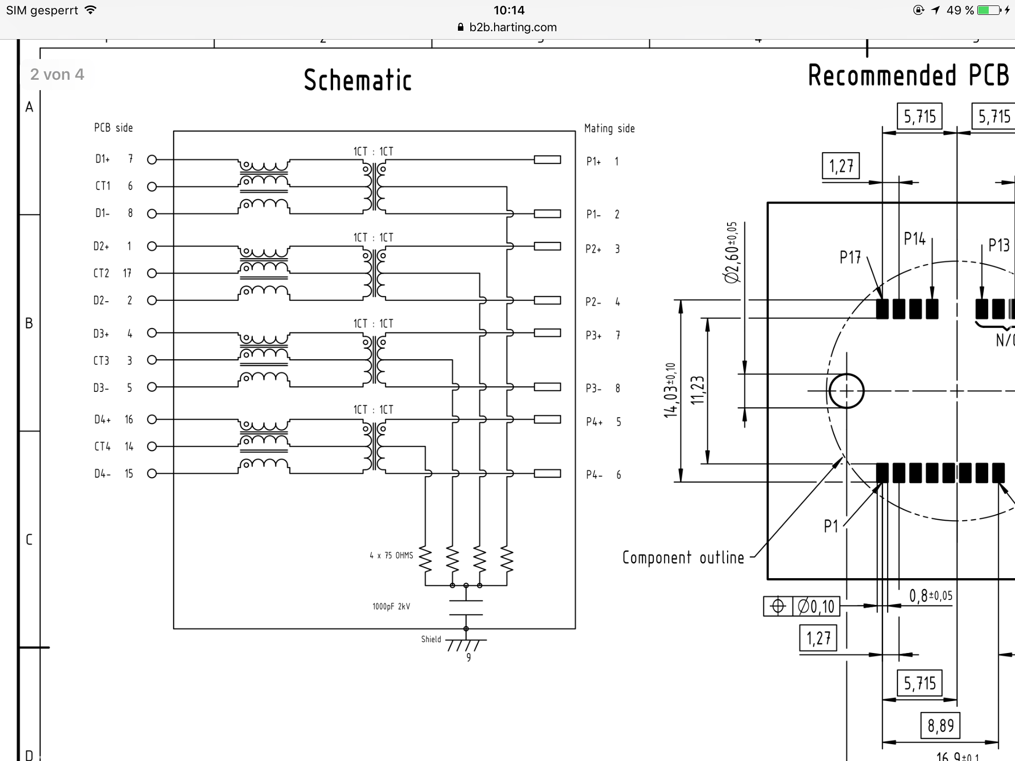
Hallo zusammen, für ein Projekt muss ich ein M12 Ethernet Stecker mit integriertem Magnetics von Harting einsetzen.https://b2b.harting.com/ebusiness/de/M12-transf-1000BASE-T-x-STR-with-PoE/21033812817 Hierzu habe ich 2 Fragen an die Profis :) 1. Bei diesem Stecker befindet sich der CMC auf der PHY Seite. Ich kenne das normalerweise andersrum. CMC auf der Kabel Seite. Ist das so richtig? Welche Vor und Nachteile würden dadurch entstehen? 2. Wie schließe ich in diesem Fall den Mittelangriff des CMC richtig an? Gemeinsam auf VDD und mit einem Cap auf Masse oder einfach nur gemeinsam mit einem C auf Masse? Vielen Dank! Grüße Michael
1. Kann dir egal sein, schließlich gibts wenig alternative M12 mit integriertem Übertrager. 2. Ist von deibem PHY oder Switch abhängig. Dazu um Datenblatt nachschauen.
Hallo, ich nutze den LAN8742A. Finde leider keine Angaben zum Anschluss des CMCs im Datenblatt ode sonstiger Dokumentation des Herstellers. Auch eine Internetrecherche brachte sehr widersprüchliche Ergebnisse und leider nur für CMC auf der Kabel Seite. Mal wird der Mittelabgriff floatend gelassen, mal auf Masse, mal auf Vdd gelegt. Für CMC auf der PHY Seite habe ich wenig nützliches bisher gefunden. Was wäre den richtig? Hängt es wirklich nur von dem PHY ab?
Man sollte immer die vom PHY/Switch bevorzugte Übertrager-Konfiguration wählen. Oft empfehlen Sie ja bestimmte kompatible Übertrager in ihren Datenblättern und App Notes. Ich hatte den Fall dass ein Übertrager mal nicht funktionierte. Wie ich später im Datenblatt gefunden hatte (waren ein paar mehr Seiten als dein PHY), setzte der Switch ein Übertrager ohne CMC auf PHY Seite voraus! Im Zweifel Microship oder Harting kontaktieren.
Hier noch mehr Informationen: ww1.microchip.com/downloads/en/DeviceDoc/LAN8742A%20QFN%20Rev%20A%20Sche matic%20Checklist.pdf
Bitte melde dich an um einen Beitrag zu schreiben. Anmeldung ist kostenlos und dauert nur eine Minute.
Bestehender Account
Schon ein Account bei Google/GoogleMail? Keine Anmeldung erforderlich!
Mit Google-Account einloggen
Mit Google-Account einloggen
Noch kein Account? Hier anmelden.
