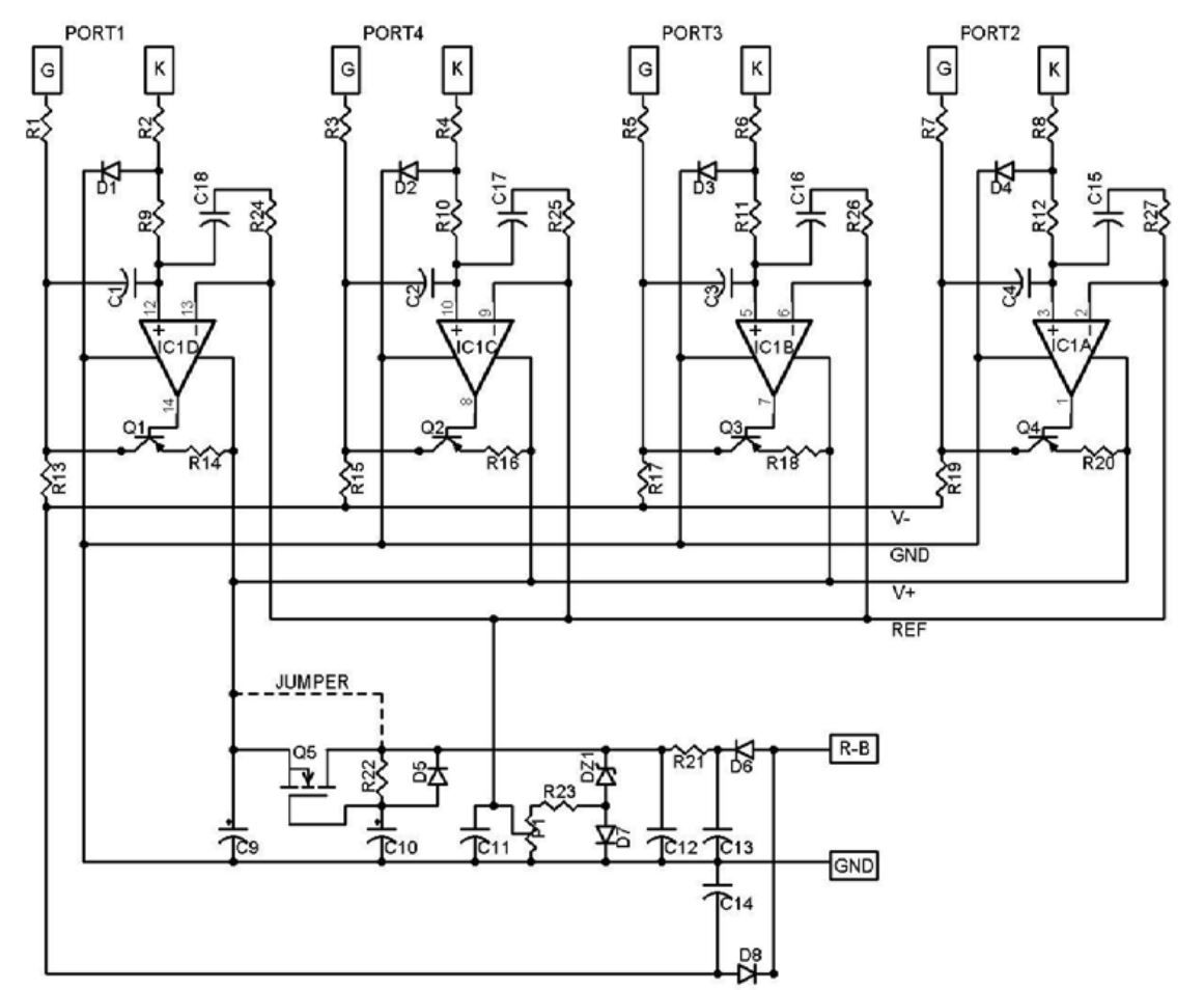
Hallo habe im Netz diese Auto Bias Schaltung für Röhrenverstärker gefunden und möchte die gerne nachbauen. Leider schweigt man sich über die Type des verwendeten 4fach OpAmp aus. Hat vllt. Jemand eine Idee welchen ich da verwenden könnte? MfG.
Bitte melde dich an um einen Beitrag zu schreiben. Anmeldung ist kostenlos und dauert nur eine Minute.
Bestehender Account
Schon ein Account bei Google/GoogleMail? Keine Anmeldung erforderlich!
Mit Google-Account einloggen
Mit Google-Account einloggen
Noch kein Account? Hier anmelden.


