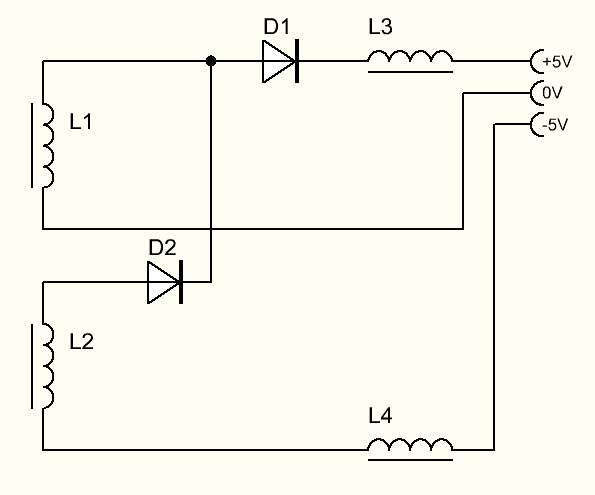
Hallo, ich habe ein SNT das +5V am Ausgang liefert und -5V (das SNT von Pollin +5V 2A und -5V 2A). Im Anhang habe ich die Schaltung (nur das Wichtige - den Rest habe ich weggelassen) angehangen. Ich kenne es eigentlich so das man die 2 Ausgangswicklungen in Reihe schaltet. Der Mittelpunkt ist dann gemeinsame Masse - die beiden Enden dann die Ausgangsspannungen. Bei der angehangen Schaltung verstehe ich das Prinzip nicht so ganz. Ich würde diese Schaltung noch verstehen wenn die Kathode von D2 auf die gemeinsame Masse gelegt würde. Hat vllt. die 2 Wicklung vom Trafo doppelt soviele Windungen? Vielen Dank schon mal. Oliver
Miss den Trafo doch einfach mal mit einem Ohmmeter durch. Dann kannst du abschätzen, wie die Wicklungsverhältnisse sind. So wie du es gezeichnet hast, sieht es so aus, als ob die zweite Wicklung grösser ist. Gruß Elektrikser
Hallo, sind zu wenige Wicklungen - mein Messgerät zeigt bei beiden 0 Ohm an. Ich werde mal die Spannungen direkt am Trafo mit einer Diode messen.
Hi Oliver, die Schaltung ergibt so noch keinen Sinn. Man müßte schon wissen, um welchen Wandlertyp es sich handelt (Sperrwandler, Flußwandler, Eintakt, Gegentakt) und was das für Drosseln sind. Sind das kleine Entstördrosseln oder richtige Speicherdrosseln ? Bei der Ausgangsleistung würde ich vermuten, dass es ein Sperrwandler ist und die Drosseln keine funktionale Bedeutung haben. Denkbar wäre, dass man einen vorhandenen Standardtrafo für +5/+12V verwendet hat und die etwa -5V dadurch erzeugt, das man -12V erzeugt, die ca. +6V vor der Diode von den 12V subtrahiert und dann um die -6V erhält. Jörg
Habe gerade mal direkt an den Anschlüssen nachgemessen und es sind an der ersten 5V und an der 2. 10V. Also ist das im Prinzip so angeschlossen wie wenn man 2 Batterien in Reihe Schaltet (1,5+1,5 = 3V) und eine verkehrtherum dranhängt um wieder 1,5V zu haben (1,5+1,5-1,5 = 1,5V)? Wird bei so einer Trafobeschaltung eigentlich sinnlos Energie verheizt? Oder spielt das bis auf den zusätzlichen Ohmschen Widerstand keine Rolle? Oliver
> Wird bei so einer Trafobeschaltung eigentlich sinnlos > Energie verheizt? Nein. Du musst daran denken, dass L1 und L2 magnetisch gekoppelt sind. Die sind nicht unabhängig voneinander.
Bitte melde dich an um einen Beitrag zu schreiben. Anmeldung ist kostenlos und dauert nur eine Minute.
Bestehender Account
Schon ein Account bei Google/GoogleMail? Keine Anmeldung erforderlich!
Mit Google-Account einloggen
Mit Google-Account einloggen
Noch kein Account? Hier anmelden.
