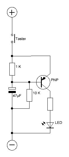
Ich benötige eine kleine Impulsschaltung, welche nach Betätigen eines Tasters einmalig einen Impuls auslöst. Egal wie lange der Taster weiter gehalten wird, soll nur ein Impuls erfolgen. Erst nach erneutem Betätigen des Taster , erfolgt auch ein erneuter Impuls. Die anliegende Schaltung an sich funktioniert soweit so gut, nur scheint mir das der Elko nicht komplett entladen wird , da die LED nach dem Impuls leicht glimmt. Mangels ausreichend elektr. Kenntnisse und aktuell nem Brett vor Kopf , fällt mir dazu grad keine Lösung ein.
Verkleinere den 1K-Widerstand soweit, bis das glimmen aufhört. Das einzige, was den Ladestrom in den Kondensator begrenzt, ist Dein Handzittern beim Betätigen des Tasters. Da wäre noch ein Widerstand angebracht.
Schließ den 10kOhm Widerstand nicht an Basis sondern am Emitter an. Und ich würde noch eine Strombegrenzung vom Kondensator zur Basis vorsehen.
Habe die Schaltung entsprechend den Tips angepaßt .... funktioniert absolut perfekt ! ;-) Besten Dank für Eure schnelle Hilfe .
Bitte melde dich an um einen Beitrag zu schreiben. Anmeldung ist kostenlos und dauert nur eine Minute.
Bestehender Account
Schon ein Account bei Google/GoogleMail? Keine Anmeldung erforderlich!
Mit Google-Account einloggen
Mit Google-Account einloggen
Noch kein Account? Hier anmelden.
