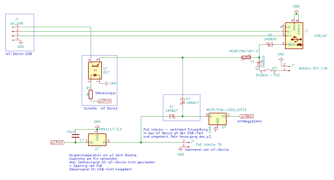
Hallo Community, ich bin kein Elektronik-Guru, daher hoffe ich auf ein paar Tipps aus der Community. Was habe ich vor? Ich möchte eine kleine Platine bauen, die zum einen einen µC AtXMega32A4U mit Strom versorgt und zum anderen ein IoT-Gerät. Der µC kann/soll die Stromversorgung zum IoT trennen können. Soweit alles kein Problem, aber... es soll 3 Möglichkeiten geben, je nach Ort wo es eingebaut werden soll, die Gräte mit Strom zu versorgen. 1.) USB-Netzteil (Original vom Hersteller) 2.) Netzteil für die Hutschiene 3.) PoE Injector. Option 1 u. 2 werden einfach, mehr oder weniger, durchgeschleust. Option 3 ist komplizierter. der PoE Injector geht direkt zum IoT-Device. Da ich trotzdem mein µC versorgt haben möchte, werden vom IoT-Device die 5V abgezweigt. Auch wenn es nicht geplant/gewollt ist, kann es vorkommen das z.B. der PoE Injector saft liefert, während ein Netzteil angeschlossen ist. Wie brauchbar ist meine Schaltung bisher? Was könnte ich anderes/besser machen?
Bitte melde dich an um einen Beitrag zu schreiben. Anmeldung ist kostenlos und dauert nur eine Minute.
Bestehender Account
Schon ein Account bei Google/GoogleMail? Keine Anmeldung erforderlich!
Mit Google-Account einloggen
Mit Google-Account einloggen
Noch kein Account? Hier anmelden.
