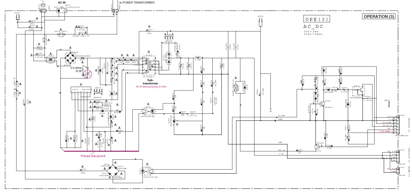
Hallo, aus einem defekten 7.2 Yamaha Receiver (Digitalplatine defekt) biete ich eine Netzteil-Platine an. Die Ausgangsspannung beträgt 5,6 V bei einem Strom von bis zu 7,2 A, hat also eine Leistung von ca. 40 W. Der Schaltplan findet sich im Anhang und wird als Ausdruck beigelegt. Damit kann man durch Änderung der Bestückung die Ausgangsspannung anpassen. Das Netzteil wurde mit einem dicken 3,3 Ohm Widerstand getestet und war OK. 10 EUR Außerdem ist auch der Trafo dieses Receivers abzugeben. Auch dafür habe ich den Schaltplan angehängt. Der Trafo wird zur Erzeugung der Gleichspannungen +/- 12V und +/- 61V verwendet. Der Trafo ist 4570 g schwer und hat die Abmessungen von ca. 11 x 6,5 x 5,5 cm (Wicklungen) bzw. ca. 7 x 10,5 x 8,5 cm (Eisenkern) In der Produktbeschreibung ist angegeben: 160W per Channel (4 ohms, 1 kHz, 0.9 % THD, 1 ch driven) außerdem: Maximum Power Consumption 590 W Wieviel Leistung der Trafo jetzt wirklich liefert, kann ich nicht sagen, aber insgesamt muss er ja wohl die 590 W bereit stellen. 30 EUR Aus einem andern Receiver ist auch noch ein Trafo da. Dazu habe ich leider keinen Schaltplan. Die aufgedruckte Bezeichnung lautet "TTI2301C002" Auf der Suche nach Leistungsdaten fand ich folgendes (https://translate.google.de/translate?hl=de&sl=pl&u=https://forum.elportal.pl/viewtopic.php%3Ft%3D10321&prev=search): Leistung: 300 W Spannung: 2x 16V, 2x 10.5V, 2x 1.1V, 23.5V, 13V Sekundärwicklung: 1mm Der Trafo wiegt ca. 2980 g und hat die Abmessungen von ca. 11 x 5 x 4 cm ca. 8 x 7,5 x 6,5 cm 20 EUR Versand jeweils 5€. Die Preise dienen mal als Anhaltspunkt. Abwicklung bitte per PN. Würde mich freuen, wenn die Teile noch ein zweites Leben haben dürfen. Gruß Markus
Hi! Wo sind die Endstufen von dem Gerät? Die würden mich evtl. zusammen mit dem Trafo interessieren.
Hallo, da war ich wohl etwas zu voreilig, die sind schon auf dem Wertstoffhof :-(
Boah sowas schmeißt man doch nicht weg... :-/ Najo, schade drum, aber wohl nicht zu ändern.
Danke für den Hinweis, beim nächsten Mal werde ich dran denken... Da an den angebotenen Teilen kein Interesse besteht, bringe ich die jetzt wohl auch weg. Das Angebot ist deshalb beendet.
Toth A. schrieb: > Dear Markus! > I need this TTI2301C002 transformator so bad! Please!!! The thread is 5 years old. Use Google. Mark U. schrieb: > Das Angebot ist deshalb beendet.
Bitte melde dich an um einen Beitrag zu schreiben. Anmeldung ist kostenlos und dauert nur eine Minute.
Bestehender Account
Schon ein Account bei Google/GoogleMail? Keine Anmeldung erforderlich!
Mit Google-Account einloggen
Mit Google-Account einloggen
Noch kein Account? Hier anmelden.




