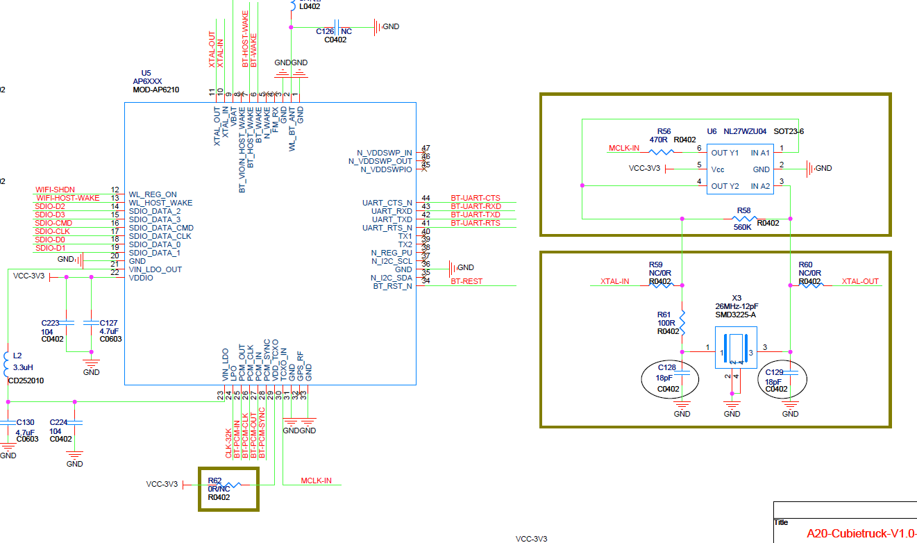
Hallo zusammen Ich würde gerne an einem ComputeModule ein AP6210 WiFi BT Modul verbinden. Dazu lehne ich mich an dem Schema des Cubietrucks an. Ein Schema ist angehängt. Nun habe ich zwei drei Fragen an die Experten hier. Wie im Schema im rechten Bereich zu erkenen ist, wird der Quarz offensichtlich mit einem Inverter zum Oszillator umfunktioniert. Das AP6210 Modul hat einmal einen XTAL Eingang (oben links) und zum anderen einen TXCO_IN Eingang (unten rechts). Das Datenblatt welches ich gefunden habe (http://dl.cubieboard.org/model/CubieBoard3/CubieBoard3%20Nand%20Version/Hardware/modules/WIFI%252BBT_AP6210%20datasheet_V1.2_12262012.pdf) gibt leider kaum Informationen. Ausser, dass es sich um einen BT-Ref input handelt. Da das Schema für verschiedene AP6XXX versionen gedacht ist, gehe ich davon aus, dass ich Inverter wie auch Quarzleitungen (XTAL In / Out) verbinden muss. Da mein Modul beide Pins kennt. Sieht jemand ein Problem darin, den Quarz auf diese Art anzuschliessen? 2) Das Modul möchte auch noch einen LowPower Clock von 32.768kHz (Unten links LPO). Nun habe ich keine Realtime Clock auf meinem Board, da das Board immer mit dem Internet verbunden ist. Kann ich diesen Clock mit einem Raspberry selbst erzeugen? 3) Kennt evtl. jemand eine besseres Datenblatt zum AP6210? Bzw. ein Reference manual? Danke!
Bitte melde dich an um einen Beitrag zu schreiben. Anmeldung ist kostenlos und dauert nur eine Minute.
Bestehender Account
Schon ein Account bei Google/GoogleMail? Keine Anmeldung erforderlich!
Mit Google-Account einloggen
Mit Google-Account einloggen
Noch kein Account? Hier anmelden.
