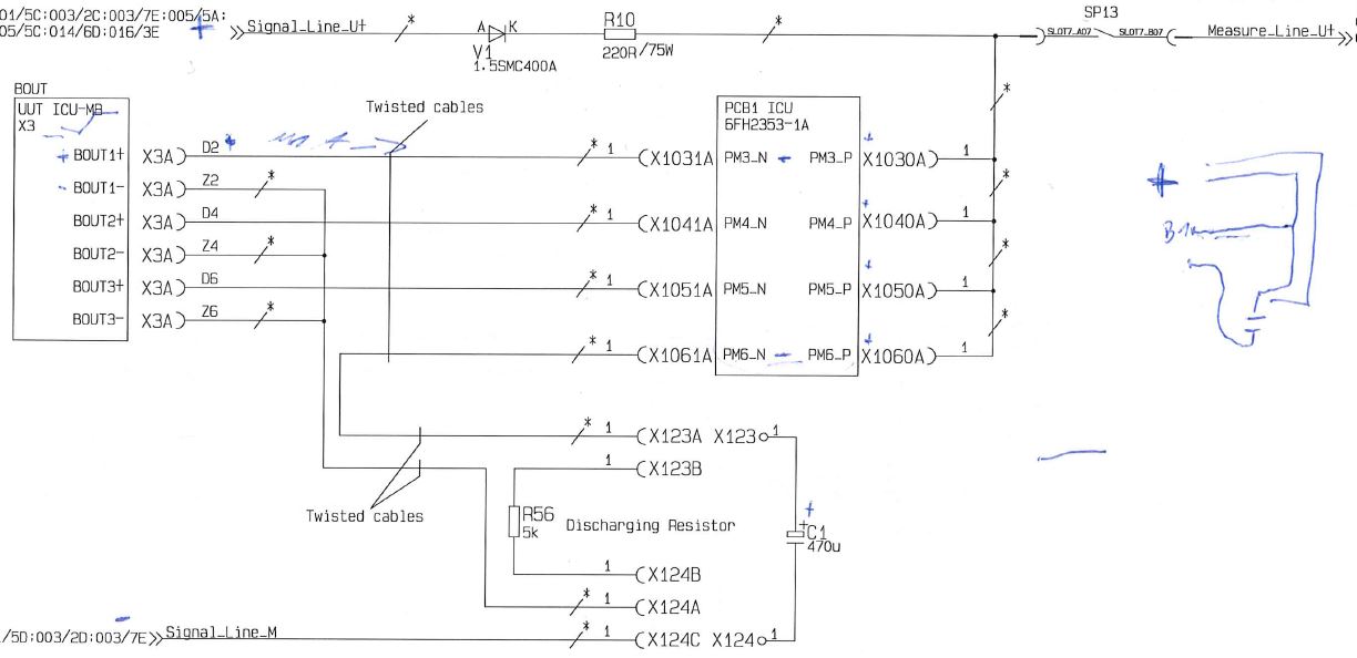
Es sollen 3 Ausgänge auf dessen Kurzschlußfestigkeit getestet werden. Wer kann mir erklären wie das mit der Schaltung geht? PMx_P liegt eine Spannung zum laden des Kondensators an. Zwischen PmxP und PMxN sind Mosfets zum schalten des jeweiligen Ausganges. Zuerst wird der Kondensator geladen. Dann werden die Mosfets nacheinander geschalten (PM6 ist schon geschalten) Dann soll irgendwie der Kurzschluß erfolgen. BOUT sol dann Kurzgeschloßen werden und meldet das dann über ein Terminalprogramm.
..ich hänge mal das ganze Bild an...vielleicht sieht man da etwas besser...
Bitte melde dich an um einen Beitrag zu schreiben. Anmeldung ist kostenlos und dauert nur eine Minute.
Bestehender Account
Schon ein Account bei Google/GoogleMail? Keine Anmeldung erforderlich!
Mit Google-Account einloggen
Mit Google-Account einloggen
Noch kein Account? Hier anmelden.

