Hallo aus Österreich, bitte um Hilfe, ich habe einen Lohner Roller 125 Bj. 1958 mein Elektriker hat folgende Frage zu dem neuen Regler, siehe Link bitte! https://www.autoteile-plauen.de/artikel-2598.htm Vom Motor weg gehen 3 Drähte weg, dickes Kabel für Start funktioniert, 2 Dünne Df normal an Dfm Klemme, D+ auf Siba Regler wohin? Vielen Dank für eure Hilfe! Liebe Grüße René
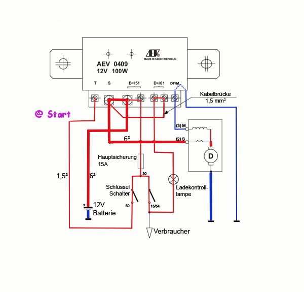
Ohne den Roller genau zu kennen üblicherweise so: Die Brücke von S nach D+/61 nicht einbauen, Kabel D+ an Klemme D+/61 anschließen. Gruß Uwe
Es ist wirklich nur der Spieltrieb (Ani).
Mit Worten: In diesem Fall ist D+/61 nicht wirklich aus dem DynaStarter raus geführt. Beim Starten ist die (gezackte) Feldspule fürn Reihenschlußmotor wirksam (die (gewellte) DF-Wicklung kaum). Starterrelais im Regler (B+ --- S). Als Generator kommt D+/61 via gezackter Starterfeldspule raus. DF regelt den Strom. Für diesen Fall ist die Brücke am Regler.
Bitte melde dich an um einen Beitrag zu schreiben. Anmeldung ist kostenlos und dauert nur eine Minute.
Bestehender Account
Schon ein Account bei Google/GoogleMail? Keine Anmeldung erforderlich!
Mit Google-Account einloggen
Mit Google-Account einloggen
Noch kein Account? Hier anmelden.

