Einen guten Tag! Wie schon so of eine Frage zum DS1820. Gibt es irgendwo einen Sourcecode in c oder VB oder einem Basic mit dem man die Messwerte auslesen kann. Nur eine Routine die einen DS1820 auswählt, die Messung startet und dann den Wert ausließt. Kein drumherum. Da ich Anfänger bin verstehe ich mit viel drumherum den Code nicht! Danke für die Hilfe Martin
Der Code soll nicht für einen "Controller" sein. Ich wollte den DS1850 direkt an RS232-Schnittstelle betreiben (unter Anwendung der Schltung, die ich im Netz gefunden habe). Hat jemand so einen COde Danke
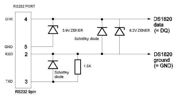
Hallo! Hat jemand einen QBasic-Code, mit dem man den 1820er nach der Schaltung DS1820 an RS232.gif auslesen kann ? lg Markus
Bitte melde dich an um einen Beitrag zu schreiben. Anmeldung ist kostenlos und dauert nur eine Minute.
Bestehender Account
Schon ein Account bei Google/GoogleMail? Keine Anmeldung erforderlich!
Mit Google-Account einloggen
Mit Google-Account einloggen
Noch kein Account? Hier anmelden.
