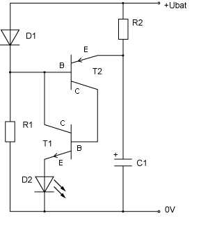
Hallo, kann mir bitte jemand sagen wo bei den Beiden Transitoren der Base, Colektor usw. ist. Kenne mich nicht so gut aus mit Schaltplänen. Danke schon mal im voraus. Hier der Link für den Schaltplan. http://www.elektronik-kompendium.de/sites/praxis/bausatz_led-blitzer.htm
Schau ins Datenblatt. Musst du sowieso, um herauszufinden welches Beinchen am tatsächlichen Bauteil was ist, denn die Info bekommst du aus den Schaltplan nicht heraus. http://www.datasheetcatalog.com/datasheets_pdf/B/C/5/4/BC547B.shtml http://www.datasheetcatalog.com/datasheets_pdf/B/C/5/5/BC557B.shtml
Würde mal sagen dass mindestens einer der Transistoren nicht korrekt eingebaut ist. Bei www.alldatasheet.com gibt's auch Datenblätter, da ist die Anschlussbelegung eingezeichnet!
Bitte melde dich an um einen Beitrag zu schreiben. Anmeldung ist kostenlos und dauert nur eine Minute.
Bestehender Account
Schon ein Account bei Google/GoogleMail? Keine Anmeldung erforderlich!
Mit Google-Account einloggen
Mit Google-Account einloggen
Noch kein Account? Hier anmelden.
