Mahlzeit, Gemeinde. Ich bin scheinbar nicht in der Lage, selber ein Datenblatt des MSH9010-LF zu finden. Alle von mir befragten Orakel haben nichts ergiebiges gebracht. Ich weiß jetzt zwar, das ich etliche 1000 davon bei diversen Chinesen bestellen könnte, möchte aber eigentlich erst mal nur die Pinbelegung des ICs wissen. Ach so, in meinem Fall handelt es sich um einen Fernseher, der keinen Ton von sich gibt. M.M.n. handelt es sich bei dem IC um einen NF-Verstärker. Wenn ich wüsste, an welchen Pins sich ein Eingangssignal findet wäre ich schon mal eine ganze Ecke weiter. Danke fürs lesen
Hersteller ist Morning Star Semiconductor. http://www.mstaric.com An Datenblätter kommt man bei denen nur als Gerätehersteller, und das meiste ist eh kundenspezifisch.
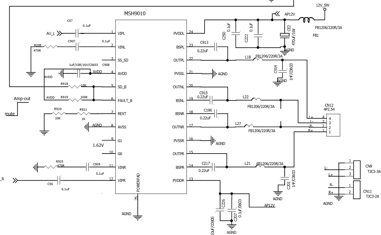
Hi. Die Anschlußbelegung anbei.( Ausschnitt aus dem Servicemanual)
Ich werd bekloppt. Sooo schnell. Das ist einfach fantastisch. Danke, Danke und tausend Dank. Rufus
Bitte melde dich an um einen Beitrag zu schreiben. Anmeldung ist kostenlos und dauert nur eine Minute.
Bestehender Account
Schon ein Account bei Google/GoogleMail? Keine Anmeldung erforderlich!
Mit Google-Account einloggen
Mit Google-Account einloggen
Noch kein Account? Hier anmelden.
