Hallo, ich habe hier ein dcf-Empfänger in die Hände bekommen, aber weiß nicht wirklich ob ich den gebrauchen kann. Er hat vier Anschlüsse G, V, T, P. G und V habe ich bereits als + und - identifiziert. T und P würde ich vermuten müssten dcf und dcf-invertiert sein. Kann das sein? Wenn das so ist, welcher ist dann welcher? Kann ich den dann direkt an den AVR "bammeln" ? Fragen über Fragen... Gruß Holger
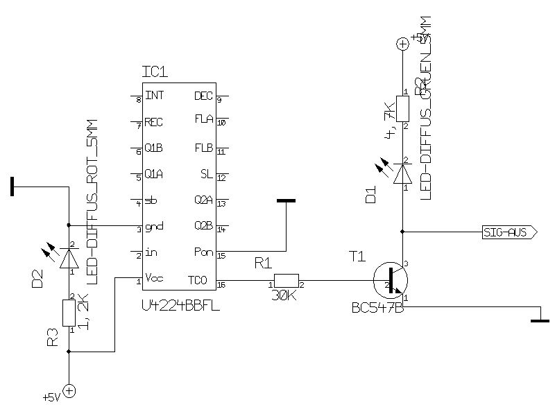
Hallo, T vermutlich Takt, also Ausgang, P könnte PowerOn sein, müßte dann an Masse. Wenn keinerlei Treibertransitor auf dem Ding zu entdecken ist, brauchst Du noch einen npn, Emitter an -, Basis über 22-47k an den Takt, Kollektor über 10k an 5V, da sollte dann ein sinnvolles Signal am Kollektor anliegen. Den Widerstand kannst Du vermutlich auf 3,3-4,7k verringern und eine rote LowCurrent LED in Reihe schalten. Die sollte dann bei den Sekundenimpulsen erkennbar aufblinken. Spannung für das Modul vorsichtshalber erstmal nur max. 2V, z.B. rote LED mit Vorwiderstand von 5V und das Modul parallel zur LED. sind dann rund 1,8V. Ich hab mal das Datenblatt des U4224B rangehangen, bei meinem Modul war die Zuordnung der "Teerklecks"-Anschlüsse zum Bild im Datenblatt recht einfach. Seitedem läuft mein Modul aus einem Funkweckse vertrauensvoll mit 5V und empfängt gut. Gruß aus Berlin Michael Aber alles ohne jede Garantie...
Danke erstmal. Dieses Ding ist auch aus einem Funkwecker. Von einem Transistor ist weit und breit nichts zu sehen. Da ich mich nicht wirklich auskenne, müsste ich mich irgendwo dran orientieren. Kann ich mich an dem pdf aus dem Thread "DCF vom Baumarkt" orientieren? Gruß Holger
Ich hoffe der Michael guckt hier nochmal rein. Ich hab im Anhang schnell mal was hingekliert, um sicher zu gehen, dass ich Dich richtig verstanden habe. VCC = V, Pon = P, GnD = G und TCO = T Gruß Holger
Ja, stimmt! :-) Sieht ein wenig verkehrt herum aus. :-) Naja, war eben nur schnell hingekliert. Ok, registriert!!! Und der Rest ?
Hallo, richtig, D1 ist falschrum... Vcc an den Verbindungspunkt LED D2 und R3, die LED sorgt hier für eine konstante Betriebsspannung. Wenn die Anordnung Anschlüsse des Teerklekses auf einen U4224 hindeuten könnte man ihn mit 5V betreiben, garantieren kann Dir aber niemand, daß wirklich ein U4224 unter dem Teer steckt! Also lieber erstmal mit den geringeren Spannung testen. Nicht direkt neben Rechner/Monitor/Fernseher experimentieren, die stören den DCF-Empfang ziemlich stark, wenn man also nicht weiß, ob der Kram geht, sucht man sonst den Fehler vielleicht an der falschen Stelle. Es kann ein paar Sekunden nach dem Einschalten dauern, bis Empfang da ist. Auch mal Empfänger/Ferritantenne um 45 oder 90Grad verdrehen, die ist richtempfindlich, speziell, wenn der Empfang relativ schlecht ist. Gruß aus Berlin Michael
Abends, Holger! Bitte schreib' mir. claes(dot)lindblad(at)gmail(dot)com MfG Claes
So, es ist vollbracht. :-) Für alle die es interessiert: Die Schaltung weiter oben im Anhang hat bei mir funktioniert. Lediglich der 1,2k wurde zu 2,2k und der 30k wurde zu 47k. (Und natürlich D1 umgedreht :-) ) Den Wecker gibts (jedenfalls bei uns) auch neu beim Toom-Baumarkt für 4,95 . Sind mit den nötigen Kleinteilen noch keine 12,95 (glaub ich), wie bei Reichelt oder Conrad. (Alles natürlich ohne Gewähr) Gruß Holger
Bitte melde dich an um einen Beitrag zu schreiben. Anmeldung ist kostenlos und dauert nur eine Minute.
Bestehender Account
Schon ein Account bei Google/GoogleMail? Keine Anmeldung erforderlich!
Mit Google-Account einloggen
Mit Google-Account einloggen
Noch kein Account? Hier anmelden.

