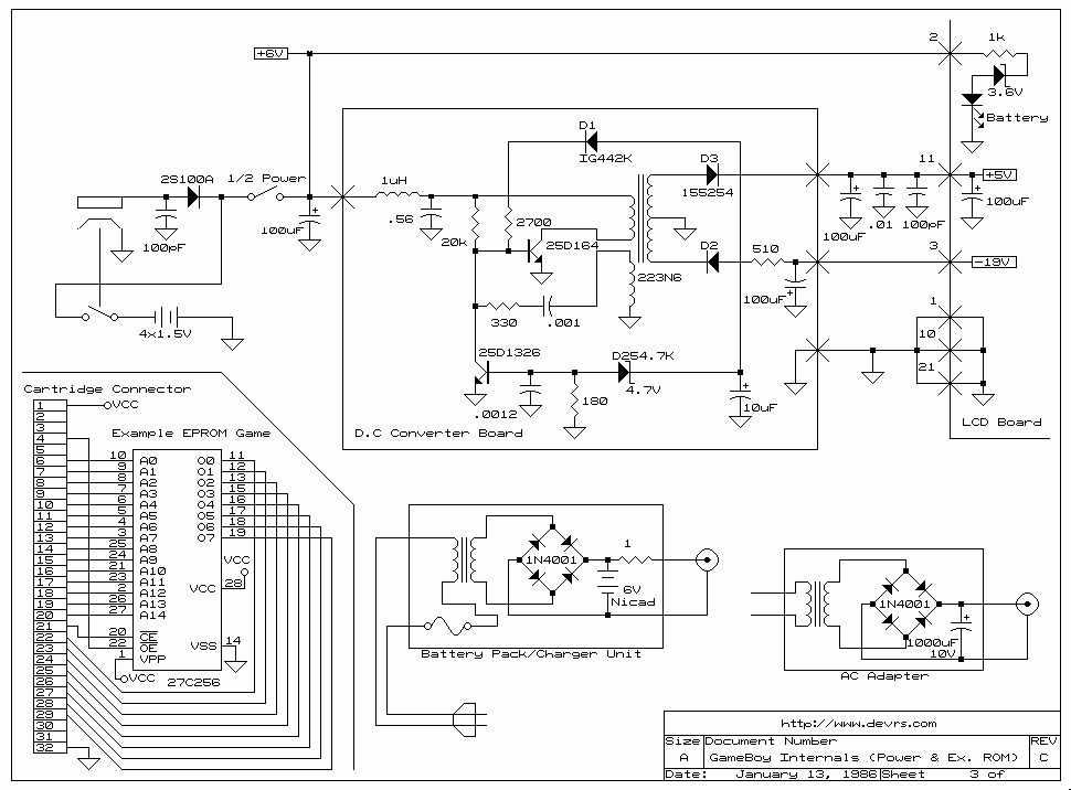
Hallo, die DC Converter Platine meines Gameboy Classic funktioniert leider nicht mehr. Da ich gerade eh ein neues Projekt suche möchte diese gerne neu designen (und ggf. um ein paar Features erweitern). Im Anhang findet ihr den Schaltplan der originalplatine. Generell: Input: +6V Output: +5V/-19V Der Stromverbrauch liegt im original bei ca. 80mAh, mit beleuchtetem Display bei ca. 150-200mAh. Das sind Schätzwerte... Da ich gerne einen Lipo anstelle der 4 AA Batterien nutzen möchte, habe ich einen USB Anschluss mit 5V (oder den original Power Adapter mit 6V) mit Ladeschaltung im Kopf sowie einen Boost Converter um die 3,7V auf 5V zu bekommen. Soweit so gut, dass würde ich hin bekommen. Wie aber bekomme ich die -19V als Kontrastspannung für das Display hin? Gerade mit negativer Spannung habe ich bisher noch keine Erfahrung. Kann mir hier jemand auf die Sprünge helfen? Wie würdet ihr dies realisieren? Ach ja, es gibt bereits ein fertiges Ersatzboard: https://retrosix.co.uk/CleanPower-Game-Boy-Original-p141361110 Mir geht es aber um drei Dinge: - Selber machen ist spannender - Man lernt was - Ich kann die Schaltung erweitern Herzlichen Dank für jeden Input. MfG, Ben
Ben K. schrieb: > Input: +6V 4x 1,5V == 4-8V. Das Teil täte es sicher auch von 3,6-12V! Reparieren und Adapter basteln. Mehr is hier eh nich drin!
Ben K. schrieb: > Der Stromverbrauch liegt im original bei ca. 80mAh, mit beleuchtetem > Display bei ca. 150-200mAh. Das sind Schätzwerte... Vor allem wurde die Einheit geschätzt...
Ben K. schrieb: > die DC Converter Platine meines Gameboy Classic funktioniert leider > nicht mehr Da das Zeug alt ist und nicht unbedingt gut gelagert: vielleicht Draht im Trafo durchgegammelt. Ben K. schrieb: > Wie aber bekomme ich die -19V als Kontrastspannung für das Display hin? Man könnte auf die verwegene Idee kommen, das mit einem Sperrwandler zu versuchen. Alle Bauteile hast du. Ben K. schrieb: > Selber machen ist spannender Leg los, du musst nur den Trafo wickeln, die anderen Bauteile hast du schon, sogar die Platine ist fertig.
Bitte melde dich an um einen Beitrag zu schreiben. Anmeldung ist kostenlos und dauert nur eine Minute.
Bestehender Account
Schon ein Account bei Google/GoogleMail? Keine Anmeldung erforderlich!
Mit Google-Account einloggen
Mit Google-Account einloggen
Noch kein Account? Hier anmelden.
