Hallo ich habe eine Schaltung, dort gibt es Probleme mit der 5V Versorgung für die externer Sensoren, diese Spannung wird mit mit einem Tester mit 100Ohm Widerstand belastet und bricht dann auf rund 1,6V zusammen. Übliche Verdächtige wie Widerstände, Kerkos und ein Tantalelko wurden durchgemessen/getauscht, es hat sich aber nichts gebessert. Ich kann das ganze bis zu einem SMD Bauteil zurückverfolgen. Weiß aber nicht was es ist oder welche Funktion es hat. Das Gehäuse sieht wie ein SOT363 (s. Anhang) aus, allerdings sind die beiden Beinchen oben links als Kühlfahne zusammengeführt. Die Kühlfahne ist aber nicht so breit ausgeführt wie bei einem SOT223, außerdem fehlt auch nicht der 3te Pin. Das SMD Marking ist 50 und dann kommt ein liegendes S. Jemand eine Idee was das sein könnte evtl. eine Überspannungsschutz mit 4 integrierten Diode die alle Richtung Kühlfahne führen.
werde das Teil morgen mal auslöten, mal sehen vielleicht fließt dort der Strom ab und zieht die 5V runter.
Moin, Thomas schrieb: > werde das Teil morgen mal auslöten, Da wuerde ich empfehlen, VORHER mal ein gscheides Foddo von Bauteil und Umgebung zu machen und das zu posten. Wird wohl mehr bringen, als Bilder zu posten, wie was nicht aussieht. Gruss WK
Dergute W. schrieb: > Wird wohl mehr bringen, als Bilder zu posten, wie was nicht aussieht. Ich glaube das Teil sieht so aus.
Klaus R. schrieb: > Oha. Wieso "Oha"? Die Beweise werden morgen auf den Tisch gelegt. Dann werden wir es ja sehen!
Enrico hat Recht, es ist das Bauteil über dem gelben Tantal. Sorry, das ich nicht die ganze Platine einstellen kann/darf. Die 1,6V liegen rechts am Tantal an und rechts am Kerko über dem Bauteil.
Thomas schrieb: > Enrico hat Recht, es ist das Bauteil über dem gelben Tantal. > > Sorry, das ich nicht die ganze Platine einstellen kann/darf. Du hast den Fehler eingegrenzt. Aber dein Foto zeigt nicht das marking des gesuchten Bauteils. Also du willst unterstützung bei der Identifikation des Bauteils das ihr bei einem weiteren Unternehmen in Auftrag gegeben habt ..... Dann solltest du das richtige Bauteil kennen .... Und jetzt soll die Community das Rätsel lösen. Mach bitte deine weiteren Hausaufgaben
Sowohl das Licht als auch die Kamera sind suboptimal, ich probiere es später nochmal. Da das nicht unsere Platine ist und wir das auch nicht beauftragt haben, weiß ich eben nicht was das für ein Bauteil ist.
So ist das nur Rätselraten. Wir brauchen eine Nahaufnahme vom Code auf dem Bauteil, evtl. kann man auch mal die Spannungen an den einzelnen Pins rausmessen und daraus was schließen. Bzw. auch, mit welchen anderen Bauteilen die Pins verbunden sind.
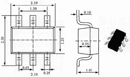
Mario schrieb: > Wir brauchen eine Nahaufnahme vom Code auf dem Bauteil Wozu, 50 s steht drauf. Das Gehäuse ist ein SCT595. s steht für Siemens/Infineon. Leider kenne ich nur den BTS3800SL in dem Gehäuse, gestempelt 38 s. Vielleicht gibt es einen BTS5000SL.
Ich habe ein Problem, aber das erkläre ich euch morgen... Michael B. schrieb: > Wozu, 50 s steht drauf. Niemand hat Lust, irgendwelche Bildbearbeitungstools anzuwerfen, nur um dem TO die notwendigen Informationen hinterherzutragen. Außer der TO outet sich und sagt, dass es seine technischen Möglichkeiten überschreitet und bittet explizit darum - dann kann man das als Freundschaftsdienst verbuchen.
Michael B. schrieb: > Das Gehäuse ist ein SCT595. > > s steht für Siemens/Infineon. > > Leider kenne ich nur den BTS3800SL in dem Gehäuse, gestempelt 38 s. Vielleicht ein Low Drop Voltage Tracker TLE4250G. Das Datenblatt dazu enthält leider keine Informationen zu Marking. Der TLE4250-2G hat das Marking 52.
Stefan K. schrieb: > Vielleicht ein Low Drop Voltage Tracker TLE4250G. Ja, siehe https://www.amazon.co.jp/TLE4250G-SCT595-5-power-controller-regulator/dp/B09MT3S659
also danke, es ist ein TLE4250G ein einstellbarer Low Drop Spannungsregler den man mit einer Referenzspannung einstellen kann. Ich liefere sonst anständige Bilder jetzt hat aber weder das Licht noch das Handy getaugt. Kennt jemand noch andere Listen wie diese hier https://smd.yooneed.one/ , damit gehe ich sonst auf die Suche.
Bitte melde dich an um einen Beitrag zu schreiben. Anmeldung ist kostenlos und dauert nur eine Minute.
Bestehender Account
Schon ein Account bei Google/GoogleMail? Keine Anmeldung erforderlich!
Mit Google-Account einloggen
Mit Google-Account einloggen
Noch kein Account? Hier anmelden.




