Hallo zusammen, Ich suche folgendes: hat einer aus dem Elektor Buch von J.P.M. Steeman 8052AH-Basic die Platine mit der Nummer 87192 oder als Fertigbestückte Platine die man nicht mehr braucht? Das Buch war aus dem Jahre 1991 Danke Gruß Stefan aus Berlin
Hallo Stefan, wenn es nicht gerade exakt dieses Board sein muss und sich sonst keiner meldet hätte ich noch eine unbestückte Leiterplatte des Compuboards aus April 1991 von elektor (den Beitrag aus dem Heft müßte ich auch noch haben), siehe auch hier: Beitrag "[V] 8052 AH-Basic Compuboard aus Elektor" Warte erstmal ab ob sich jemand meldet. Grüße Patrick
Hallo, danke für das Angebot, das habe ich selbst und die Erweiertungsplatine auch. Gruß Stefan
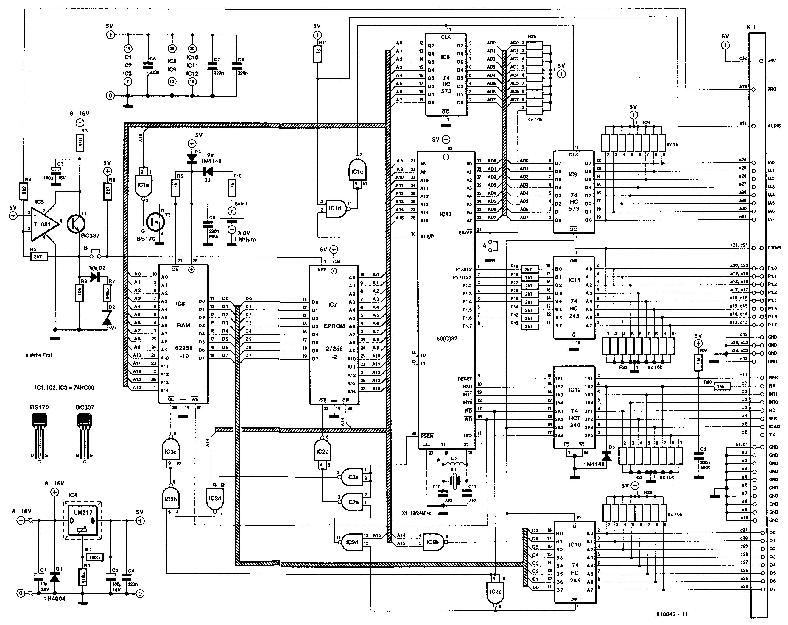
Das ist offensichtlich eine doppelseitige Platine, falls das Layout veröffentlicht ist (bzw. es Fotos ohne Bauteile gibt), kann man das auch leicht nachbauen.
Moin, Ist die Platine bestückt oder nur die reine Platine ?Vielleicht hätte ich dann doch Interesse. Gruß Stefan
Stefan F. schrieb: > Ist die Platine bestückt oder nur die reine Platine ? also wenn das an mich gerichtet ist: die von mir abzugebene Platine ist eine selbstgeätzte, unbestückte und ungebohrte Platine. Weiterhin nicht unwichtig: komplette Kontrolle unter Licht ist vorher durchzuführen (falls es irgendwo Brücken gibt). Das abgedruckte Layout wurde nämlich auf eine Folie kopiert (denke ich mal, ich hatte mir die Folie nur ausgeliehen für die Leiterplatte herzustellen). Bohren ist nicht einfach weil Elektor meist super kleine Lötaugen benutzt hat die eigentlich keine Zentrierung des Bohrers zugelassen haben, allerdings wäre mir das vor 30 Jahren leichter gefallen als heute .... Nur Porto fällt an: Wer sie haben möchte sollte sich mit mir abstimmen (eMail) - es reicht wenn ich eine Briefmarke mit kompletter Adresse als pdf zugesendet bekomme, klebe sie auf den Großbrief und los geht es. Grüße Patrick
Stephan S. schrieb: > Das ist offensichtlich eine doppelseitige Platine, falls das Layout > veröffentlicht ist (bzw. es Fotos ohne Bauteile gibt), kann man das auch > leicht nachbauen. ja die vom TO gezeigte Platine ist doppelseitig und Elektor hat ja auch in der Regel das Layout abgedruckt - event. sollte es auch machbar sein das einfache Teil in Kicad oder so nachzuzeichnen und eine Leiterplatte prof. herstellen zu lassen. Grüße Patrick Edit: schaut so aus als wenn die Platine aus dem Buch identisch zu dem Beitrag in Elektor 11/1987 "Entwicklungshelfer" ist. Das Layout ist dort zumindest abgedruckt.
@Stefan Mit diesem neuem Elektor Projekt kannst Du nichts anfangen? https://github.com/f4goh/8052AH-BASIC/tree/main Gibt es jemanden der Interesse an diese Platine hat oder sie ev. schon geordert hat? Programmieren von GAL und Eprom ist möglich.
Helmut H. schrieb: > Gibt es jemanden der Interesse an diese Platine hat oder sie ev. schon > geordert hat? > Programmieren von GAL und Eprom ist möglich. Hallo Helmut, sehr schönes neues (Retro-) Projekt. Ich habe noch irgendwo einen Basic-EMUF aus der MC rumliegen mit dem Original-Chip. Bemerkenswert fand ich bei der Originalausgabe dass man das Program per Befehl ins EPROM schreiben konnte, das aber nur nebenbei. Also zu deiner Frage: aus nostalgischen Gründen würde ich mich an einer event. Sammelbestellung einer solchen Platine mit ranhängen. GAL, Controller müßte ich sogar noch da haben. Möchte aber den Thread des TO nun nicht übernehmen, wäre eher ein Thema wenn der TO sich durchringen würde. Grüße Patrick
Ich habe diese Platine hier noch im Keller, hilft die? Das ist ein einseitiges Layout, selbst geätzt, Rückseite chemisch verzinnt. Vor gut 30 Jahren habe ich die mal liebevoll aufgebaut, alle Chips haben gedrehte Sockel. Wenn ich recht erinnere war das auch ein Elektor-Projekt. Letztendlich habe ich sie nie verwendet, nur kurz damit gespielt. Falls jemand noch was damit anfangen mag, gern. Edit: Das ist wohl das bereits erwähnte "Compuboard". Der freie Bereich oben ist mit einem Lochrasterfeld aufgefüllt, wo ich Streber sogar alle Löcher gebohrt habe.
Jörg H. schrieb: > Edit: Das ist wohl das bereits erwähnte "Compuboard". Der freie Bereich > oben ist mit einem Lochrasterfeld aufgefüllt, wo ich Streber sogar alle > Löcher gebohrt habe. Genau das.
Ach Mist. Hatte ich zu der Zeit auch gbaut. Zweiseitig selbstgeätzt. Musste ein wenig "schräg" bohren, weis ich noch, des Versatzes wegen. Hab ich letztens entsorgt, schade. Waren so sie ersten Berührungspunkte. Hab damit ne VQC10 angesteuert. Was waren wir stolz: mit der Leeertaste über COM2 am System anmelden :)
Nabend, Vielen Dank an alle, die mir geschrieben haben. Gruß aus Berlin Stefan
Guten Abend Jörg, Ist Deine (bestückte) Platine noch zu haben? Gruß Thomas Jörg H. schrieb: > Ich habe diese Platine hier noch im Keller, hilft die? > Das ist ein einseitiges Layout, selbst geätzt, Rückseite chemisch > verzinnt. > Vor gut 30 Jahren habe ich die mal liebevoll aufgebaut, alle Chips haben > gedrehte Sockel. Wenn ich recht erinnere war das auch ein > Elektor-Projekt. > Letztendlich habe ich sie nie verwendet, nur kurz damit gespielt. > > Falls jemand noch was damit anfangen mag, gern. > > Edit: Das ist wohl das bereits erwähnte "Compuboard". Der freie Bereich > oben ist mit einem Lochrasterfeld aufgefüllt, wo ich Streber sogar alle > Löcher gebohrt habe.
Ja. Ich habe sie wieder in den Keller gelegt, nachdem es hier ruhig wurde. Thomas B. schrieb: > Guten Abend Jörg, > > Ist Deine (bestückte) Platine noch zu haben?
Hallo Stefan, da ich noch eine schöne Anzahl original 8052AH-BASIC Prozessoren habe, wollte ich ebenfalls mal so ein Biard haben zum Experimentieren. Ich habe dann eine Neueauflage gemacht mit kleinen Änderungen betreffend die RS-232-Schnittstelle. Leider hat sich exakt dort der Fehlerteufel eingeschlichen, ist aber fädelbar. Wenn Du möchtest, kannst Du eine der Platinen umsonst haben. Schema und Layout (pdfs) sind natürlich dabei! Mail an rayelec bei gmx punkt net. Christoph
Hallo Christoph, Ja gerne würde ich eine Platine nehmen. Gruß Stefan
Bitte melde dich an um einen Beitrag zu schreiben. Anmeldung ist kostenlos und dauert nur eine Minute.
Bestehender Account
Schon ein Account bei Google/GoogleMail? Keine Anmeldung erforderlich!
Mit Google-Account einloggen
Mit Google-Account einloggen
Noch kein Account? Hier anmelden.



