Nach sehr wenigen Jahren fallen alle elektrischen Zeitschaltuhren aus, weil der Akku defekt ist. Ich benutzte sie nur 3-4 Monate im Jahr und dann kommt es immer zu einer Tiefentladung des Akkus. Natürlich könnte ich alle 2 bis 3 Jahre eine neue 1,2V 40mAh Ni-Mh Akku Knopfzelle einlöten. Meine Frage ist, ob dieser Akku nicht einfach entfernt werden könnte, wenn ich auf die Pufferwirkung verzichten kann? Ich habe kein Problem damit jedes Jahr die Uhr neu zu programmieren, wenn ich sie in die Steckdose stecke. Ich nehme an die Akkubatterie müsste mit einem Kondensator oder einem Widerstand ersetz werden. Kann mir jemand einen Tip geben wie ich das lästige Problem langfristig lösen kann? Im voraus vielen Dank!
Goldcap 10F reinpfriemeln. Wäre dann wenigstens für einen kurzen Stromausfall als Puffer noch hilfreich. Kommt auf die Schaltung an. Auch gibt es solche kleinen Akkus. Selbst etwas größere würden noch reinpassen. Aber dein Problem bleibt: durch das Abschalten über lange Zeit wird der eben komplett leer gelutscht und das mögen die nicht besonders. Andreas K. schrieb: > Meine Frage ist, ob dieser Akku nicht einfach entfernt werden könnte, > wenn ich auf die Pufferwirkung verzichten kann? Naja, kommt darauf an, wer sonst noch die Spannung aus dem Kondensatornetzteil begrenzt. Der Akku tut das mehr oder weniger schon. Es müsste eigentlich eine Schaltung mit R - Z-Diode nach GND - R - Akku(+) drin sein. Oder zumindest ein Spannungsteiler. Ganz ohne oder mit Goldcap würde ich jedenfalls anstelle des Akku noch zwei Dioden als Spannungsbegrenzer auf 1.4V einsetzen. Meine sah so aus, wie im Anhang.
Ich liebe Jubelelektronik -als Designer von Industrieelektronik wird einem immer wieder vor Augen geführt, wie minimalistisch man etwas in Großserie bauen kann. Nun ja. Aber einen Goldcap bräuchte es ja nicht unbedingt, oder? Ein fast beliebiger Kondensator und 2 Silizium-Dioden in Reihe parallel zum Elko sollte doch schon reichen. Es gibt diese 6.3V oder 10V Elkos in recht kleiner Bauform mit beträchtlichen Kapazitäten. Der Platz wäre ja da.
Andreas K. schrieb: > Meine Frage ist, ob dieser Akku nicht einfach entfernt werden könnte, > wenn ich auf die Pufferwirkung verzichten kann? Es gibt Schaltungen (z.B. Mandolyn-Zeitschaltuhr mit 3 Zellen NiCd), bei denen dieser Akku zur Spannungsstabilisierung genutzt wird, wie eine Z-Diode nur halt auf n x 1.2V, denn NiCd/NiMH schwankt nur so von 0.9-1.6V. Er wird dauergeladen meist über ein Kondensatornetzteil und entfernt man den Akku bekommt der Uhrenchip gleich mal 230V übergebraten. Das passiert da schon bei hochohmig defektem Akku.
Warum suchst du dir nicht nen Akku, der mehr mAh hat und irgendwo anders ins Gehäuse passt und schliesst den über ein paar Drähte an?
Uli S. schrieb: > Warum suchst du dir nicht nen Akku, der mehr mAh Ich glaube das ist die ideale Lösung. Der Akku hält dann ein Jahr durch und es kommt nicht zu der Tiefentladung, die die Akkus nicht überleben. Was sagt deine Glaskugel, wie groß müsste der Akkus sein?
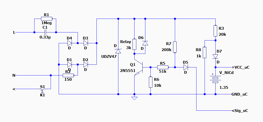
Michael B. schrieb: > Er wird dauergeladen meist über ein Kondensatornetzteil und entfernt man > den Akku bekommt der Uhrenchip gleich mal 230V übergebraten. Nein! Wenn Du Dir obigen Schaltplan ansiehst, dann gibt es R3, R8 und D7... Und eine Zenerdiode 47 V... Also nix mit 230 V! Wenn der TO den Akku nicht benötigt, dann einfach einen Elko einlöten wie oben schon erwähnt wurde...
Bitte melde dich an um einen Beitrag zu schreiben. Anmeldung ist kostenlos und dauert nur eine Minute.
Bestehender Account
Schon ein Account bei Google/GoogleMail? Keine Anmeldung erforderlich!
Mit Google-Account einloggen
Mit Google-Account einloggen
Noch kein Account? Hier anmelden.


